Простой фильтр для сабвуфера — Меандр — занимательная электроника
Автор Admin На чтение 11 мин Просмотров 1.3к. Опубликовано
Содержание
- Предназначение
- своими руками, низких частот, активный схема, НЧ, пассивный, саба
- Предназначение
- Схема фильтра
- Как сделать своими руками
- Как сделать своими руками
- Активный фильтр
- Пассивный фильтр
- Принципиальная схема ФНЧ
- Готовые решения
- Схема электрическая фильтра НЧ
- Виды частотных фильтров
- Пассивные и активные фильтры низких частот
Предназначение
Рассматриваемое устройство предназначено для того, чтобы сделать звук более качественным, оно часто называется кроссовером.
Предназначение заключается в повышении эффективности воспроизведения требуемой частоты.
Поэтому низкокачественные динамики могут звучать намного лучше.
Различные НЧ-фильтры для сабвуфера устанавливаются для достижения хорошего качества звучания аудиосистемы. Поэтому есть необходимость в подборе наиболее подходящего изделия. Если в продаже не встречается подходящий кроссовер для саба, то его можно изготовить самостоятельно. Динамики автомобильной акустической системы могут снабжаться еще сумматором.
своими руками, низких частот, активный схема, НЧ, пассивный, саба
Многие меломаны сталкиваются с тем, что качество автомобильных акустических систем невысокое. Фильтр для сабвуфера может быть создан своими руками, для чего требуется небольшой набор инструментов и материалов.
Предназначение
Сабвуфер — динамик для вывода низкочастотных колебаний в диапазоне 5-200 Гц. В продаже встречаются пассивный и активный варианты исполнения. При этом частоты делятся на 3 основные категории:
- Верхние.
- Средние.
- Глубокие.
Фильтры предназначены для разделения звука и повышения качества.
Какую магнитолу рекомендуете покупать:Poll Options are limited because JavaScript is disabled in your browser.
- Pioneer 49%, 1359 голосов
1359 голосов 49%
1359 голосов — 49% из всех голосов
- Alpine 15%, 415 голосов
415 голосов 15%
415 голосов — 15% из всех голосов
- Kenwood 11%, 292 голоса
292 голоса 11%
292 голоса — 11% из всех голосов
- Sony 8%, 229 голосов
229 голосов 8%
229 голосов — 8% из всех голосов
- JVC 7%, 189 голосов
189 голосов 7%
189 голосов — 7% из всех голосов
- Другую… 5%, 125 голосов
125 голосов 5%
125 голосов — 5% из всех голосов
- Mystery 1%, 39 голосов
39 голосов 1%
39 голосов — 1% из всех голосов
- Prology 1%, 39 голосов
39 голосов 1%
39 голосов — 1% из всех голосов
- 37 голосов 1%
37 голосов — 1% из всех голосов
- Soundmax 1%, 24 голоса
24 голоса 1%
24 голоса — 1% из всех голосов
Всего голосов: 2748
Голосовало: 2343
13.
11.2019 ×
Вы или с вашего IP уже голосовали.
Предназначение системы заключается в распределении частот между несколькими элементам вывода. Сабвуфер способен выводить только низкий диапазон, для которого он отделяется от всего потока.
Ты водитель автомобиля?! Тогда ты сможешь пройти этот простейший тест и узнать … Перейти к тесту »
Схема фильтра
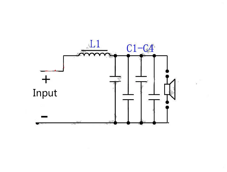
При создании устройства могут применяться различные схемы. Простейший НЧ фильтр для сабвуфера называют LC. Его принцип работы обладает следующими особенностями:
- Создаваемое сопротивление индуктивности сравнимо с частотой звука. Этот момент определяет то, что катушка пропускает низкие частоты и отделяет высокие. С повышением значения частоты увеличивается и сопротивление индуктивности.
- Сопротивление емкости имеет обратную пропорциональность частоте сигнала, и колебания с высокой частотой затухают на входе.
Подобный пассивный фильтр НЧ прост в исполнении, поэтому его изготавливают чаще других. Более сложна в реализации схема активного фильтра. Она предусматривает применение активного элемента, который повышает эффективность устройства.
 Более сложна в реализации схема активного фильтра. Она предусматривает применение активного элемента, который повышает эффективность устройства.
Классификация устройств проводится по основным параметрам. Порядок свидетельствует о количестве катушек. Крутизна спада АЧХ определяет то, насколько резко фильтр подавляет сигналы, которые могут стать причиной помехи.
При выборе фильтра также уделяется внимание тому, какая схема расположения динамиков применяется в автомобиле. Наибольшее распространение получили следующие:
- 3 динамика: басовик, средний и низкие частоты, твитер. В большинстве случаев этого достаточно для реализации поставленной задачи.
- Более сложная схема предусматривает использование отдельных динамиков для воспроизведения своей частоты.
Полосно-пропускающие, или полосовые устройства эффективно пропускают свою частоту. Полная противоположность — режекторный вариант исполнения, так как полосы вне интервала усиливаются.
Как сделать своими руками
Пассивный фильтр для сабвуфера своими руками просто изготовить благодаря использованию небольшого количества элементов. Фильтр низких частот собирается с учетом нижеприведенных моментов:
 Фильтр низких частот собирается с учетом нижеприведенных моментов:
- Сборка может проводиться по схеме, которая скачивается из сети или создается своими руками. В интернете встречается большое количество различных калькуляторов. Их применение существенно упрощает расчеты. Для этого достаточно ввести исходную информацию, и программа при применении формул рассчитывает требуемые показатели.
- Основными параметрами, применяемыми при расчетах, являются индуктивность и емкость.
- Простейшая схема представлена сочетанием конденсатора или катушки. Первый элемент можно приобрести в специализированном магазине, для повышения показателя проводится соединение нескольких. Катушка часто изготавливается самостоятельно, для этого применяется медная проволока и стержень из специального сплава.
- Пайка отдельных элементов должна проводиться с особой осторожностью. Это связано с тем, что слишком высокая температура может привести к перегреву платы и некоторым другим проблемам. 
После создания самодельной конструкции следует провести подключение фильтра к сабвуферу. Подключение выполняется следующим образом:
- Фильтр подключается к сабвуферу через выход предварительного усилителя после регулятора, который отвечает за регулировку громкости. Это позволяет существенно повысить качество звука.
- Потенциометр применяется для регулирования соотношения громкости сабвуфера и всего сигнального тракта.
- К выходу проводится подключение усилителя мощности, который работает по классической схеме. Оба применяются для мостового соединения.
Финишный этап заключается в герметизации всех соединительных элементов. В противном случае на контактах со временем может появиться коррозия, которая станет причиной снижения проводимости. Активный изготавливается с применением управляющей платы.
Как сделать своими руками
Проще всего изготовить пассивный фильтр низких частот. Это связано с тем, что он изготавливается при применении всего нескольких элементов. Среди особенностей проведения работы своими руками отметим следующее:
 Среди особенностей проведения работы своими руками отметим следующее:
- Проводятся подробные расчеты. Повысить удобство можно путем применения специальных калькуляторов, с помощью которых проводится расчет параметров основных элементов изделия.
- Выбирается наиболее подходящая схема. Она предусматривает применение специального разделителя, который изготавливается в виде сумматора. Качественного звука в этом случае не достигнуть, но устройство прослужит долго.
Простой фильтр для 2-полосного усилителя собрать просто. Инструкция по проведению работы следующая:
- Подается сигнал на вход операционного усилителя.
- Подается сигнал на МС2.
- С выхода ФНЧ переводится сигнал на МС2.
- Блок стабилизации напряжения создается на основе резистора, конденсатора и стабилизатора.
- При напряжении питания менее 15В из схемы исключается резистор R11. На компонентах R1, R2, C1, C2 собирается сумматор входного сигнала. Этот элемент отключается в том случае, если подается моносигнал. - Конденсатор C7 предназначается для фильтрации выходного сигнала. Регулятор сигнала основан на R9, R10, C8.
- Для получения устройства потребуется печатная плата. Изготовить ее можно самостоятельно из стеклотекстиля, рекомендуемые размеры листа 2 на 4 см.
- Поверхность шлифуется до блеска, после чего обезжиривается. Распечатанный рисунок схемы переносится на поверхность.
- Выполняется травлене при применении специального состава. Лишняя медь растворяется, после чего поверхность промывается чистой водой.
Для соединения отдельных элементов проводится пайка. При правильной сборке схемы она должна заработать сразу, при этом дополнительная настройка не требуется. Если звука нет, то придется проверить надежность всех соединений. При работе есть вероятность повреждения основных элементов.
Активный фильтр
Большое широкое распространение получил активный фильтр сабвуфера. Подобная схема обладает следующими особенностями:
 Подобная схема обладает следующими особенностями:
- Активный элемент не нагружает акустическую систему.
- Входной сигнал фильтруется. За счет этого есть возможность устранить шумы.
- При правильном подходе можно гибко настроить усилитель.
- Исходный спектр часто разделяется на несколько каналов. Схема активного фильтра позволяет выбрать низкие и средние, высокие частоты.
Изготовить самостоятельно активный фильтр можно, для этого не требуется специальное оборудование.
Пассивный фильтр
Пассивное устройство проще в изготовлении, но обладает менее привлекательными характеристиками. Его особенности заключаются в следующем:
- Предназначено для отсеивания низких частот в заданном диапазоне.
- Не усиливает сигнал.
В продаже встречается большое количество пассивных фильтров. Они могут прослужить в течение длительного периода и имеют относительно небольшие размеры.
Принципиальная схема ФНЧ
Схема фильтра для сабвуфера показана на рисунке. Работает он на основе двух операционных усилителей U1-U2 (NE5532). Первый из них отвечает за суммирование и фильтрацию сигнала, в то время как второй обеспечивает его кэширование.
 Работает он на основе двух операционных усилителей U1-U2 (NE5532). Первый из них отвечает за суммирование и фильтрацию сигнала, в то время как второй обеспечивает его кэширование.
Принципиальная схема ФНЧ к сабу
Стереофонический входной сигнал подается на разъем GP1, а дальше через конденсаторы C1 (470nF) и C2 (470nF), резистора R3 (100k) и R4 (100k) попадает на инвертирующий вход усилителя U1A. На этом элементе реализован сумматор сигнала с регулируемым коэффициентом усиления, собранный по классической схеме. Резистор R6 (27k) вместе с P1 (50k) позволяют провести регулировку усиления в диапазоне от 0.5 до 1.5, что позволит подобрать усиления сабвуфера в целом.
Резистор R9 (100k) улучшает стабильность работы усилителя U1A и обеспечивает его хорошую поляризацию в случае отсутствия входного сигнала.
Сигнал с выхода усилителя попадает на активный фильтр нижних частот второго порядка, построенный U1B. Это типичная архитектура Sallen-Key, которая позволяет получить фильтры с разной крутизной и амплитудной. На форму этой характеристики напрямую влияют конденсаторы C8 (22nF), C9 (22nF) и резисторы R10 (22k), R13 (22k) и потенциометр P2 (100k). Логарифмическая шкала потенциометра позволяет добиться линейного изменения граничной частоты во время вращения ручки. Широкий диапазон частот (до 260 Гц) достигается при крайнем левом положении потенциометра P2, поворачивая вправо вызываем сужения полосы частот до 50 Гц. На рисунке далее показана измеренная амплитудная характеристика всей схемы для двух крайних и среднего положения потенциометра P2. В каждом из случаев потенциометр P1 был установлен в среднем положении, обеспечивающим усиление 1 (0 дб).
 На форму этой характеристики напрямую влияют конденсаторы C8 (22nF), C9 (22nF) и резисторы R10 (22k), R13 (22k) и потенциометр P2 (100k). Логарифмическая шкала потенциометра позволяет добиться линейного изменения граничной частоты во время вращения ручки. Широкий диапазон частот (до 260 Гц) достигается при крайнем левом положении потенциометра P2, поворачивая вправо вызываем сужения полосы частот до 50 Гц. На рисунке далее показана измеренная амплитудная характеристика всей схемы для двух крайних и среднего положения потенциометра P2. В каждом из случаев потенциометр P1 был установлен в среднем положении, обеспечивающим усиление 1 (0 дб).
Полезное: Схема многоканального пульта дистанционного управления по кабелю или радиоканалу
Сигнал с выхода фильтра обрабатывается с помощью усилителя U2. Элементы C16 (10pF) и R17 (56k) обеспечивают стабильную работу м/с U2A. Резисторы R15-R16 (56k) определяют усиление U2B, а C15 (10pF) повышает его стабильность. На обоих выходах схемы используются фильтры, состоящие из элементов R18-R19 (100 Ом), C17-C18 (10uF/50V) и R20-R21 (100k), через которые сигналы поступают на выходной разъем GP3. Благодаря такой конструкции, на выходе мы получаем два сигнала сдвинутых по фазе на 180 градусов, что позволяет осуществлять прямое подключение двух усилителей и усилителя с мостовой схемой.
 Благодаря такой конструкции, на выходе мы получаем два сигнала сдвинутых по фазе на 180 градусов, что позволяет осуществлять прямое подключение двух усилителей и усилителя с мостовой схемой.
В фильтре используется простой блок питания с двухполярным напряжением, основанный на стабилитронах D1 (BZX55-C16V), D2 (BZX55-C16V) и двух транзисторах T1 (BD140) и T2 (BD139). Резисторы R2 (4,7k) и R8 (4,7k) представляют собой ограничители тока стабилитронов, и были подобраны таким образом, чтобы при минимальном напряжении питания ток составлял около 1 мА, а при максимальном был безопасен для D1 и D2.
Элементы R5 (510 Ом), C4 (47uF/25V), R7 (510 Ом), C6 (47uF/25V) представляют собой простые фильтры сглаживания напряжения на базах T1 и T2. Резисторы R1 (10 Ом), R11 (10 Ом) и конденсаторы C3 (100uF/25V), C7 (100uF/25V) представляют собой также фильтр напряжения питания. Разъем питания — GP2.
Готовые решения
В продаже встречается большое количество ФНЧ. Купить их можно через интернет-магазин. Среди особенностей отметим:
 Среди особенностей отметим:
- Самые дешевые предложения можно встретить в китайском интернет-магазине, но прослужат они недолго.
- Производством кроссоверов занимается большое количество компаний. Следует отдавать предпочтение продукции популярных производителей.
- Готовые решения выбираются в зависимости от того, в каком диапазоне устройству предстоит работать.
Средняя стоимость кроссовера составляет 4$. При этом схема может иметь различные размеры и эксплуатационные характеристики. Подключение проводится при помощи проводов путем пайки. Поэтому требуется паяльник с тонким жалом и подходящим припоем.
Схема электрическая фильтра НЧ
Скопируйте для увеличения
Сердце схемы, хорошо себя зарекомендовавшая TL074 (084), один сдвоенный переменный резистор, в таком нестандартном для меня включении, и немного пассивных компонентов (резисторы и конденсаторы). Решил, что для питания откажусь от всяких лишних стабилизаторов (7815 и 7915) — потребления схемы небольшое, и поэтому решено запитать схему по простому — пара стабилитронов (применил 1N4712), пара ограничивающих резисторов (1. 5 kom у меня), небольшие электролиты по питанию и шунтирующие конденсаторы по 0,1 мкф — все это к основному питанию УНЧ сабвуфера (+-35 вольт в моём случае).
 5 kom у меня), небольшие электролиты по питанию и шунтирующие конденсаторы по 0,1 мкф — все это к основному питанию УНЧ сабвуфера (+-35 вольт в моём случае).
Монтаж выполнен на печатной плате из текстолита — скачать файл. Печатку немного подкорректировал под себя и добавил стабилитроны. Все элементы подписаны, наводите курсор на элементы — показывается его номинал. Переменные резисторы, регулирующий частоту среза и регулировки громкости, в моём варианте выведены с платы на проводках.
Схема работает сразу, делал уже раз десять этот ФНЧ — естественно если не путать номиналы и не оставлять сопельки между дорожек. Также хочу сказать что чувствительности фильтра хватает, чтобы подключать портативные источники звука такие как: сотовый телефон, mp3 плеер и подобные устройства.
Приготовили плату? Тогда берём паяльник, и первым делом запаивайте стабилитроны с ограничивающими резисторами и конденсаторы, панельку для TL-ки. Подключите плату к источнику питания вашего УНЧ (у меня +-35 вольт) — удостоверьтесь что к 4 и 11 ножки микросхемы на панельки поступает +-12 вольт. Если всё правильно — паяем конденсаторы, резисторы.
 Если всё правильно — паяем конденсаторы, резисторы.
Не забываем, что конденсаторы нужно ставить пленочные в такие схемы, не считая электролитов и шунтирующих по питанию.
Переменный резистор, на регулировку среза частоты — нужно подключать именно как нарисовано по схеме. Повторюсь, что схема не нуждается в настройках, правильный монтаж и чистка платки от флюса, если использовали упомянутый.
Виды частотных фильтров
- Одноэлементные;
- Г, Т, П-образные;
- Многозвездные. Они представляют собой последовательно подключенные Г-образные.
В данной статье будут рассмотрены схемы и устройство фильтра нижних частот.
Пассивные и активные фильтры низких частот
Пассивный фильтр состоит только из резисторов или конденсаторов. Они не требуют энергии для выполнения возложенных на них задач. Почти все пассивные фильтры обладают линейной характеристикой.
Активный фильтр включает в свою конструкцию транзистор или операционный усилитель. АЧХ такого фильтра благоприятнее чем у пассивного.
 АЧХ такого фильтра благоприятнее чем у пассивного.
Спрашивается, зачем и где они применяются? У фильтров принцип действия следующий: поступающий на них сигнал фильтруется, и остаются только те сигналы, которые необходимы. Одной из областей применения таких устройств является электронная цветомузыка.
Предварительный усилитель для сабвуфера с корректором Линквица
Предназначение
Сабвуфер — динамик для вывода низкочастотных колебаний в диапазоне 5-200 Гц. В продаже встречаются пассивный и активный варианты исполнения. При этом частоты делятся на 3 основные категории:
- Верхние.
- Средние.
- Глубокие.
Фильтры предназначены для разделения звука и повышения качества. Он устанавливается для саба пассивного и активного типа, может использоваться как сумматор, который делает систему более эффективной.
Предназначение системы заключается в распределении частот между несколькими элементам вывода. Сабвуфер способен выводить только низкий диапазон, для которого он отделяется от всего потока.
 Сабвуфер способен выводить только низкий диапазон, для которого он отделяется от всего потока.
Описание работы схемы усилителя
Стерео сигнал подается на разъем In через C1 (100nF) и R1 (2,2 М) на первом канале и C2 (100nF) и R2 (2,2 М), в другом канале. Затем он поступает на вход операционного усилителя U1A (TL074). Потенциометром P1 (220k), работающем в цепи обратной связи усилителя U1A, выполняется регулировка усиления всей системы. Далее сигнал подается на фильтр второго порядка с элементами U1B (TL074), R3 (68k), R4 (150к), C3 (22nF) и C4 (4,7 nF), который работает как фильтр Баттерворта. Через цепь C5 (220nF), R5 (100k) сигнал поступает на повторитель U1C, а затем через C6 (10uF) на вход усилителя U2 (TDA2030).
Конденсатор С6 обеспечивает разделение постоянной составляющей сигнала предусилителя от усилителя мощности. Резисторы R7 (100k), R8 (100k) и R9 (100k) служат для поляризации входа усилителя, а конденсатор C7 (22uF) фильтрует напряжение смещения. Элементы R10 (4. 7 k), R11 (150к) и C8 (2.2 uF) работают в петле отрицательной обратной связи и имеют задачу формирования спектральной характеристики усилителя. Резистор R12 (1R) вместе с конденсатором C9 (100nF) формируют характеристику на выходе. Конденсатор C10 (2200uF) предотвращает прохождение постоянного тока через динамик и вместе с сопротивлением динамика определяет нижнюю граничную частоту всего усилителя.
 7 k), R11 (150к) и C8 (2.2 uF) работают в петле отрицательной обратной связи и имеют задачу формирования спектральной характеристики усилителя. Резистор R12 (1R) вместе с конденсатором C9 (100nF) формируют характеристику на выходе. Конденсатор C10 (2200uF) предотвращает прохождение постоянного тока через динамик и вместе с сопротивлением динамика определяет нижнюю граничную частоту всего усилителя.
Полезное: Мини паяльная станция USB своими руками
Защитные диоды D1 (1N4007) и D2 (1N4007) предотвращают появление всплесков напряжений, которые могут возникнуть в катушке динамика. Напряжение питания, в пределах 18-30 В подается на разъем Zas, конденсатор C11 (1000 — 4700uF) — основной фильтрующий конденсатор (не экономьте на его ёмкости). Стабилизатор U3 (78L15) вместе с конденсаторами C12 (100nF), C15 (100uF) и C16 (100nF) обеспечивает подачу напряжения питания 15 В на микросхему U1. Элементы R13 (10k), R14 (10k) и конденсаторы C13 (100uF), C14 (100nF) образуют делитель напряжения для операционных усилителей, формируя половину напряжения питания.
Схема фильтра
При создании устройства могут применяться различные схемы. Простейший НЧ фильтр для сабвуфера называют LC. Его принцип работы обладает следующими особенностями:
- Создаваемое сопротивление индуктивности сравнимо с частотой звука. Этот момент определяет то, что катушка пропускает низкие частоты и отделяет высокие. С повышением значения частоты увеличивается и сопротивление индуктивности.
- Сопротивление емкости имеет обратную пропорциональность частоте сигнала, и колебания с высокой частотой затухают на входе.
Подобный пассивный фильтр НЧ прост в исполнении, поэтому его изготавливают чаще других. Более сложна в реализации схема активного фильтра. Она предусматривает применение активного элемента, который повышает эффективность устройства.
Классификация устройств проводится по основным параметрам. Порядок свидетельствует о количестве катушек. Крутизна спада АЧХ определяет то, насколько резко фильтр подавляет сигналы, которые могут стать причиной помехи.
При выборе фильтра также уделяется внимание тому, какая схема расположения динамиков применяется в автомобиле. Наибольшее распространение получили следующие:
- 3 динамика: басовик, средний и низкие частоты, твитер. В большинстве случаев этого достаточно для реализации поставленной задачи.
- Более сложная схема предусматривает использование отдельных динамиков для воспроизведения своей частоты.
Полосно-пропускающие, или полосовые устройства эффективно пропускают свою частоту. Полная противоположность — режекторный вариант исполнения, так как полосы вне интервала усиливаются.
Конструкция и детали.
Для удобства повторения Главный редактор «РадиоГазеты» разработал печатную плату устройства(45мм Х 45мм):
Скачать чертеж печатной платы в формате Layout можно здесь.
Индуктивность L1 — ферритовая бусинка. Для обеспечения высокой термостабильности каскада транзисторы Т1-Т3 и Т2-Т4 нужно попарно склеить задними стенками. Вот как это выглядело на макете:
 Вот как это выглядело на макете:
Как сделать своими руками
Пассивный фильтр для сабвуфера своими руками просто изготовить благодаря использованию небольшого количества элементов. Фильтр низких частот собирается с учетом нижеприведенных моментов:
- Сборка может проводиться по схеме, которая скачивается из сети или создается своими руками. В интернете встречается большое количество различных калькуляторов. Их применение существенно упрощает расчеты. Для этого достаточно ввести исходную информацию, и программа при применении формул рассчитывает требуемые показатели.
- Основными параметрами, применяемыми при расчетах, являются индуктивность и емкость.
- Простейшая схема представлена сочетанием конденсатора или катушки. Первый элемент можно приобрести в специализированном магазине, для повышения показателя проводится соединение нескольких. Катушка часто изготавливается самостоятельно, для этого применяется медная проволока и стержень из специального сплава. 
- Пайка отдельных элементов должна проводиться с особой осторожностью. Это связано с тем, что слишком высокая температура может привести к перегреву платы и некоторым другим проблемам.
После создания самодельной конструкции следует провести подключение фильтра к сабвуферу. Подключение выполняется следующим образом:
- Фильтр подключается к сабвуферу через выход предварительного усилителя после регулятора, который отвечает за регулировку громкости. Это позволяет существенно повысить качество звука.
- Потенциометр применяется для регулирования соотношения громкости сабвуфера и всего сигнального тракта.
- К выходу проводится подключение усилителя мощности, который работает по классической схеме. Оба применяются для мостового соединения.
Финишный этап заключается в герметизации всех соединительных элементов. В противном случае на контактах со временем может появиться коррозия, которая станет причиной снижения проводимости. Активный изготавливается с применением управляющей платы.
НАСТРОЙКА БУФЕРА.
Если вы не хотите что-то подбирать и настраивать в данной схеме, то просто установите все постоянные резисторы с указанными на схеме номиналами. Даже при таком подходе схема обеспечивает очень высокие параметры.
Если вы стремитесь к идеалу, тогда запаситесь терпением!
Для достижения максимального качества транзисторы лучше взять из одной партии или отобрать хотя бы с помощью китайского мультиметра.
- Для начала переводим мультиметр в режим проверки диодов и замеряем напряжение Uбэ у транзисторов Т4 и Т3.
- По полученным значениям вычисляем номиналы резисторов: R1=R2=(60мВ+(UбэТ4-UбэТ3))/1мА
- Запаиваем транзисторы и резисторы с получившимися номиналами в схему.
- Закорачиваем вход на землю. Резистором R5 устанавливаем половину от напряжения источника положительной полярности (по схеме +10В/2=+5В) в контрольной точке «ТР».
- Выходное напряжение схемы обычно не превышает 10мВ. Если для вас это недопустимо много, можете выставить абсолютный ноль с помощью триммера R9. 
- Если есть необходимые приборы, то минимизировать нелинейные искажения можно с помощью триммера R1.
На этом настройка схемы закончена, а все подстроечные резисторы рекомендуется заменить на постоянные с ближайшим номиналом.
Функции и принцип работы фильтров для сабвуфера
Фильтры частот применяются как для работы активных сабвуферов, так и пассивных.
Преимущества активных низкочастотных динамиков заключается в следующем:
- Активный усилитель сабвуфера не нагружает дополнительно акустическую систему (так как питается отдельно).
- Входной сигнал может фильтроваться (исключаются посторонние шумы от воспроизведения высоких частот, работа устройства концентрируется только на том диапазоне, в котором динамик обеспечивает наилучшее качество передачи колебаний).
- Усилитель при правильном подходе к конструкции может гибко настраиваться.
- Исходный спектр частот можно разделить на несколько каналов, с которыми можно уже работать по-отдельности – низкие частоты (на сабвуфер), средние, высокие, а иногда и сверхвысокие частоты. 
Виды фильтров для низких частот (НЧ)
- Аналоговые схемы.
- Цифровые устройства.
- Программные фильтры.
- Активный фильтр для сабвуфера (так называемый кроссовер, обязательный атрибут любого активного фильтра – дополнительный источник питания)
- Пассивный фильтр (такой фильтр для пассивного сабвуфера лишь отсеивает необходимые низкие часты в заданном диапазоне, не усиливая сигнала).
По крутизне спада
- Первого порядка (6 дБ/октав.)
- Второго порядка (12 дБ/октав.)
- Третьего порядка (18 дБ/октав.)
- Четвертого порядка (24 дБ/октав.)
Основные характеристики фильтров:
- Полоса пропускания (диапазон пропускаемых частот).
- Полоса задерживания (диапазон существенного подавления сигнала).
- Частота среза (переход между полосами пропускания и задерживания происходит. нелинейно. Частота, на которой пропускаемый сигнал ослабляется на 3 дБ, называется частотой среза). 
Дополнительные параметры оценки фильтров акустических сигналов:
- Крутизна спада АХЧ (Амплитудно-Частотная Характеристика сигнала).
- Неравномерность в полосе пропускания.
- Резонансная частота.
- Добротность.
Линейные фильтры электронных сигналов различаются между собой по типу кривых (зависимости показателей) АЧХ.
Разновидности таких фильтров чаще всего называются по фамилиям ученых, выявившим эти закономерности:
- Фильтр Баттерворта (гладкая АЧХ в полосе пропускания),
- Фильтр Бесселя (характерна гладкая групповая задержка),
- Фильтр Чебышёва (крутой спад АЧХ),
- Эллиптический фильтр (пульсации АЧХ в полосах пропускания и подавления),
Простейший НЧ фильтр для сабвуфера второго порядка выглядит следующим образом: последовательно подключенная к динамику индуктивность (катушка) и параллельно – емкость (конденсатор). Это так называемый LC-фильтр (L — обозначение индуктивности на электрических схемах, а C – емкости).
Принцип работы заключается в следующем:
- Сопротивление индуктивности прямо пропорционально частоте и поэтому катушка пропускает низкие частоты и задерживает высокие (чем выше частота, тем выше сопротивление индуктивности).
- Сопротивление емкости обратно пропорционально частоте сигнала и поэтому высокочастотные колебания затухают на входе динамика.
Такой тип фильтров – пассивный. Более сложные в реализации – активные фильтры.
Как сделать простой фильтр для сабвуфера своими руками
Как и было сказано выше, самые простые в конструкции – пассивные фильтры. Они имеют в составе всего несколько элементов (количество зависит от требуемого порядка фильтра).
Собрать свой собственный фильтр НЧ можно по готовым схемам в сети или по индивидуальным параметрам после подробных расчетов требуемых характеристик (для удобства можно найти специальные калькуляторы для фильтров разных порядков, с помощью которых можно быстро рассчитать параметры составляющих элементов – катушек, емкостей и т. п.).
 п.).
Для активных фильтров (кроссоверов) можно использовать специализированное программное обеспечение, например, такое как «Crossover Elements Calculator».
В некоторых случаях при проектировании схемы может понадобиться фильтр-сумматор.
Здесь оба канала звука (стерео), например, после выхода с усилителя и т.п., необходимо сначала отфильтровать (оставить только НЧ), а потом объединить в один с помощью сумматора (так как сабвуфер чаще устанавливается всего один). Или наоборот, сначала суммировать, а затем отфильтровать НЧ.
В качестве примера возьмем простейший пассивный НЧ фильтр второго порядка.
Если сопротивление динамика будет 4 Ом, предполагаемая частота среза – 150 Гц, то для типа фильтрации по Баттерворту нужны будут:
- L (индуктивность) = 6.003 mH
- С (емкость) = 187.5 µF
Если конденсатор можно подобрать под требуемый параметр из готовых или собрать блок из нескольких параллельно соединенных, то катушку лучше всего намотать своими руками. Для этого необходимо предварительно рассчитать параметры индукции с помощью тех же готовых калькуляторов.
 Для этого необходимо предварительно рассчитать параметры индукции с помощью тех же готовых калькуляторов.
Так, что получения катушки с индуктивностью 6 мГн, из обмоточного медного провода диаметром 1 мм, понадобится стержень диаметром 1 см и длиной 6 см. На выходе получится бобина из 1002 витков. Проволока длиной 84 метра будет уложена в 17 слоев. Итоговые габариты – диам. 44 мм, длина – 6 см.
Катушка и конденсатор подключаются к динамику по схеме, обозначенной выше, и мы получаем сабвуфер с пассивным НЧ фильтром.
Применение
Оно достаточно разнообразно. Высокочастотные применяют в электросвязи. Низкочастотные находят применение в устройствах сбора данных. Также их используют в музыкальных инструментах для устранения шумов и изменения звучания.
Для подавления частот, приближенных к частоте сети, их применяют в источниках питания. В промышленности они применяются как гармоник и компенсируют косинус фи.
Что такое фильтр сабвуфера? (с картинками)
`;
Трой Холмс
Стереодинамики предназначены для оптимального воспроизведения на определенных частотах. Динамики сабвуфера воспроизводят очень низкие частоты, от 20 Гц до 200 Гц. Фильтр сабвуфера — это электронное устройство, которое удаляет высокие частоты из радиопередач, которые отправляются на динамики сабвуфера. Этот фильтр подключается между проводами громкоговорителя и стереофонического ресивера.
Сабвуферы предназначены для воспроизведения басов с большей четкостью, чем полнодиапазонные динамики. Динамики сабвуфера — это большие толстые динамики, предназначенные для воспроизведения низкочастотных басов. Эти динамики будут искажаться и рваться, если через них будет воспроизводиться высокочастотная музыка. Фильтр сабвуфера — это специальное аудиоустройство, которое отфильтровывает высокочастотные звуки выше 200 Гц. Этот фильтр пропускает только низкие басовые частоты через акустический провод.
 Этот фильтр пропускает только низкие басовые частоты через акустический провод.
Низкочастотный бас лучше всего слышен через динамики, предназначенные для воспроизведения громких низких частот. Фильтр сабвуфера часто встраивается внутрь корпуса динамика сабвуфера. Этот фильтр блокирует высокие частоты и не передает их в динамик.
 Многие современные стереоресиверы имеют встроенные выходные каналы сабвуфера. Эти аудиоресиверы посылают на динамик сабвуфера только низкочастотные сигналы. Это гарантирует, что высокочастотные тоны будут ограничены из динамика.
 Эти аудиоресиверы посылают на динамик сабвуфера только низкочастотные сигналы. Это гарантирует, что высокочастотные тоны будут ограничены из динамика.
В фильтре сабвуфера используется кроссоверный фильтр, обнаруживающий высокочастотную музыку. Этот тип фильтрующего устройства часто используется в музыкальных студиях для создания динамических музыкальных звуков. Кроссоверный фильтр сделан из электрического провода, который может удалять высокие или низкие ноты по мере необходимости.
 Важно, чтобы стереосистема использовала только один низкочастотный фильтр. Большинство активных сабвуферов имеют встроенные фильтры сабвуфера, которые могут конфликтовать с кроссоверным фильтром ресивера высокого класса. Конфигурация с активным сабвуфером лучше всего подходит для автомобилей и стереосистем, не имеющих выходов для сабвуфера. Это гарантирует, что стереосистема и динамики не будут конфликтовать из-за частоты кроссовера.
 Конфигурация с активным сабвуфером лучше всего подходит для автомобилей и стереосистем, не имеющих выходов для сабвуфера. Это гарантирует, что стереосистема и динамики не будут конфликтовать из-за частоты кроссовера.
Фильтр сабвуфера важен, потому что он поддерживает чистоту и чистоту динамиков. Динамики — это, по сути, немые компоненты, которые воспроизводят все частоты, передаваемые по проводу динамика. Фильтр защищает динамик, блокируя более высокие частоты, прежде чем они могут повредить оборудование.
 Доступно несколько типов фильтров сабвуфера. Они варьируются от простых катушек с проводами до более сложных перекрестных переключателей. Переключатели обычно стоят дороже, чем стандартные фильтры, но позволяют более точно откалибровать стереосистему в соответствии с подключенными динамиками. В большинстве высококачественных стереосистем для соревнований используется конфигурация компонентов кроссовера.
 Переключатели обычно стоят дороже, чем стандартные фильтры, но позволяют более точно откалибровать стереосистему в соответствии с подключенными динамиками. В большинстве высококачественных стереосистем для соревнований используется конфигурация компонентов кроссовера.
Вам также может понравиться
Рекомендуется
сабвуфер%20контур%20диаграмма тех.паспорт и примечания по применению
высокий сабвуфер 100 Вт усилитель
 Реферат: сабвуфер сабвуфер бокс JBL SB-2 jbl subwoofer subwoofer 80Hz filter subwoofer CROSSOVER схема фильтра сабвуфера SUBWOOFER BOARD профессиональный сабвуфер 
 Текст: Нет доступного текста файла
Оригинал
Схема подключения динамика 2.1 с сабвуфером
 Аннотация: принципиальная схема усилителя сабвуфера 5v усилитель сабвуфера 12v схемы усилителя сабвуфера простая схема сабвуфера схема усилителя звука сабвуфера простой сабвуфер 2.1 схема фильтра верхних частот d схема усилителя сабвуфера сабвуфер 2.1 схема фильтра верхних частот 2.1 схема сабвуфера 
 Текст: Нет доступного текста файла
Оригинал
Предварительные схемы сабвуфера
 Реферат: схема усилителя сабвуфера схемы AMPLIFICADOR сабвуфер pre Kenwood* схема усилителя сабвуфера manuales de servicio de amplificadores схема усилителя сабвуфера NEC250 автомобильного сабвуфера схема 
 Текст: Нет доступного текста файла
Оригинал
Схема усилителя сабвуфера IC
 Аннотация: принципиальная схема усилителя сабвуфера 2.1 схема усилителя сабвуфера ic PT2353H усилитель сабвуфера IC схема цепи сабвуфера нижних частот 60 Гц схема сабвуфера нижних частот IC 8-контактный фильтр нижних частот сабвуфера 2.1 канальный усилитель сабвуфера принципиальная схема пассивный фильтр нижних частот на 50 Гц для сабвуфера 
 Текст: Нет доступного текста файла
Оригинал
2.1 схема сабвуфера
 Аннотация: схема фильтра сабвуфера пассивная пассивная схема AUDIO CROSSOVER схема сабвуфера схема pt2353 схема сабвуфера схема пассивного сабвуфера схема сабвуфера IC схема фильтра сабвуфера схема схема сабвуфера пассивный кроссовер сабвуфера 
 Текст: Нет доступного текста файла
Оригинал
 1 принципиальная схема сабвуфера
схема фильтра сабвуфера пассивная
схема пассивного АУДИО КРОССОВЕРА
схема сабвуфера pt2353
схема сабвуфера
схема пассивного сабвуфера
электрическая схема сабвуфера
схема фильтра сабвуфера
схема сабвуфера
кроссовер с пассивным сабвуфером
 1 принципиальная схема сабвуфера
схема фильтра сабвуфера пассивная
схема пассивного АУДИО КРОССОВЕРА
схема сабвуфера pt2353
схема сабвуфера
схема пассивного сабвуфера
электрическая схема сабвуфера
схема фильтра сабвуфера
схема сабвуфера
кроссовер с пассивным сабвуфером1999 — Схемы автомобильного усилителя сабвуфера 12 В
 Аннотация: схема сабвуфера sony схема управления тональностью сабвуфера схема усилителя автомобильного сабвуфера схема усилителя сабвуфера на 100 Вт схема подключения сабвуфера 12 В моноусилитель 400 Вт высокий сабвуфер усилитель на 100 Вт автомобильный сабвуфер sony схема усилителя мощности автомобильного сабвуфера предварительные схемы сабвуфера 
 Текст: Нет доступного текста файла
Оригинал
 мощный сабвуфер 100 ватт усилитель
сони сабвуфер
схема усилителя мощности автомобильного сабвуфера
предварительные схемы сабвуфера
 мощный сабвуфер 100 ватт усилитель
сони сабвуфер
схема усилителя мощности автомобильного сабвуфера
предварительные схемы сабвуфераЦепь фильтра сабвуфера
 Аннотация: сабвуфер ic сабвуфер pcb сабвуфер фильтр нижних частот сабвуфер 12v сабвуфер IC схемы фильтра сабвуфера IC 16 контакт фильтра нижних частот сабвуфера управление тоном сабвуфер схемы фильтра сабвуфера pcb 
 Текст: Нет доступного текста файла
Оригинал
alpine 3331 11-полосный графический эквалайзер
 Аннотация: alpine 3331 сабвуфер ERE-G180 alpine 3331 12 полосный графический эквалайзер Alpine Electronics 500 Вт схема сабвуфера диодный светодиод rojo ecualizador тональный контроль сабвуфера 
 Текст: Нет доступного текста файла
Оригинал
Схема предусилителя сабвуфера
 Аннотация: 20-полосный эквалайзер сабвуфер сабвуфер предварительный усилитель сабвуфера 12v питание ERE-G180 tdm-7534 графический эквалайзер 12db предусилитель сабвуфер схема сабвуфера 
 Текст: Нет доступного текста файла
Оригинал
Схема сабвуфера 30 Вт
 Аннотация: принципиальная схема предусилителя сабвуфера схема транзисторного сабвуфера схема усилителя сабвуфера схема усилителя сабвуфера АКТИВНЫЙ САБВУФЕР С УСИЛИТЕЛЕМ Схема активного сабвуфера 2.1-канальная схема усилителя сабвуфера схема предусилителя сабвуфера схемы усилителя сабвуфера 12 В схемы управления басами в стерео 12 В активный сабвуфер IC 
 Текст: Нет доступного текста файла
Оригинал
 схема предусилителя сабвуфера
схема транзисторного сабвуфера
схема усилителя сабвуфера
АКТИВНЫЙ САБВУФЕР С УСИЛИТЕЛЕМ
Схема активного сабвуфера
Схема 2.1-канального усилителя сабвуфера
схема предусилителя сабвуфера
Схемы усилителя сабвуфера 12 В, регулировка басов в стерео
12v активный сабвуфер IC
 схема предусилителя сабвуфера
схема транзисторного сабвуфера
схема усилителя сабвуфера
АКТИВНЫЙ САБВУФЕР С УСИЛИТЕЛЕМ
Схема активного сабвуфера
Схема 2.1-канального усилителя сабвуфера
схема предусилителя сабвуфера
Схемы усилителя сабвуфера 12 В, регулировка басов в стерео
12v активный сабвуфер IC Аннотация: схемы усилителя сабвуфера на 12 В простая схема сабвуфера 2.1 схема динамика с сабвуфером схема усилителя звука сабвуфера схема 2.1 схема сабвуфера простая схема фильтра сабвуфера 5v усилитель сабвуфера схема усилителя сабвуфера сабвуфера 
 Текст: Нет доступного текста файла
Оригинал
Схема усилителя 2.1-канального сабвуфера
 Реферат: схема транзисторного сабвуфера 30w схема сабвуфера схема предварительного усилителя сабвуфера схема активного сабвуфера схема фильтра сабвуфера АКТИВНЫЙ САБВУФЕР С Усилителем npn ТРАНЗИСТОР c105 схема коробки сабвуфера c105 ТРАНЗИСТОР 
 Текст: Нет доступного текста файла
Оригинал
кроссовер с пассивным сабвуфером
 Аннотация: схема фильтра сабвуфера пассивный сабвуфер CROSSOVER пассивный сабвуфер аудио фильтр кроссовера схема фильтра сабвуфера сабвуфер пассивный кроссовер сабвуфер pre subwoofer ic 
 Текст: Нет доступного текста файла
Оригинал
Печатная плата сабвуфера 5.1
 Аннотация: фильтр нижних частот 400 Гц для сабвуфера sonicmaster subwoofers Активная схема сабвуфера sonicmaster subwoofer SUBWOOFER BOARD ACTIVE SUBWOOFER WITH AMP резервный усилитель сабвуфера ANADIGM схема усилителя сабвуфера 
 Текст: Нет доступного текста файла
Оригинал
pt2353
 Аннотация: схема сабвуфера pt2353 схема усилителя сабвуфера PT2353 схема применения схема низкочастотного сабвуфера схема схема 2. 1 канальная схема усилителя сабвуфера IC 8-контактный фильтр нижних частот сабвуфер сабвуфер схема фильтра полосы низких частот 2.1 динамик с сабвуфером схема схема пассивного сабвуфера схема
 1 канальная схема усилителя сабвуфера IC 8-контактный фильтр нижних частот сабвуфер сабвуфер схема фильтра полосы низких частот 2.1 динамик с сабвуфером схема схема пассивного сабвуфера схема 
 Текст: Нет доступного текста файла
Оригинал
Цепь фильтра сабвуфера
 Аннотация: сабвуфер ic автомобильный сабвуфер схема автомобильного сабвуфера схемы фильтра автомобильного сабвуфера печатная плата фильтр сабвуфера схемы фильтра сабвуфера схема сабвуфера для автомобильного аудио сабвуфер фильтр нижних частот схема сабвуфера 
 Текст: Нет доступного текста файла
Оригинал
 PT2350-
схема фильтра сабвуфера
сабвуфер IC
сабвуфер
схема автомобильного сабвуфера
Схемы фильтров автомобильных сабвуферов на печатной плате
фильтр сабвуфера
схемы фильтров сабвуфера
схема сабвуфера для автозвука
фильтр низких частот сабвуфера
схема сабвуфера
 PT2350-
схема фильтра сабвуфера
сабвуфер IC
сабвуфер
схема автомобильного сабвуфера
Схемы фильтров автомобильных сабвуферов на печатной плате
фильтр сабвуфера
схемы фильтров сабвуфера
схема сабвуфера для автозвука
фильтр низких частот сабвуфера
схема сабвуфера Аннотация: ЛУЧШИЙ активный сабвуфер 7.1 динамик с электрической схемой сабвуфера 2.1 принципиальная схема сабвуфера 2.1-канальная схема усилителя сабвуфера схема сабвуфера 2.1ch 12v схема усилителя сабвуфера 12v одноканальный сабвуфер AMPLIFIER схема усилителя сабвуфера CQP1474JD 
 Текст: Нет доступного текста файла
Оригинал
смпс 500Вт
 Резюме: ZXCDSUBEV500B ZXCDSUBEV транзисторы 8 схема сабвуфера ZXCD1210 500 Вт усилитель звука 500 Вт усилитель баса класса D базовый smps 150 Вт схема баса 500 Вт усилитель звука класса d 
 Текст: Нет доступного текста файла
Оригинал
простой сабвуфер
 Резюме: нет абстрактного текста 
 Текст: Нет доступного текста файла
Оригинал
Усилитель сабвуфера 5.1
 Аннотация: сабвуфер фильтр нижних частот усилитель сабвуфера 5. 1 объемный сабвуфер объемный сабвуфер 10.1 объемный сабвуфер 80 Гц фильтр нижних частот усилитель сабвуфера схема усилителя сабвуфера NJU26125 фильтр сабвуфера 80 Гц
 1 объемный сабвуфер объемный сабвуфер 10.1 объемный сабвуфер 80 Гц фильтр нижних частот усилитель сабвуфера схема усилителя сабвуфера NJU26125 фильтр сабвуфера 80 Гц 
 Текст: Нет доступного текста файла
Оригинал
 Аннотация: схема пассивного сабвуфера схема пассивного AUDIO CROSSOVER схема фильтра сабвуфера схема пассивного кроссовера сабвуфера схема низкочастотного сабвуфера схема сабвуфера ic PT2353H транзисторная схема сабвуфера схема фильтра сабвуфера пассивная 
 Текст: Нет доступного текста файла
Оригинал
 Аннотация: схема низкочастотного сабвуфера 2.1 схема сабвуфера схема фильтра сабвуфера схема пассивного сабвуфера PT2352 пассивный сабвуфер кроссовер схема звукового фильтра сабвуфера схема пассивного аудио кроссовера схема сабвуфера pcb 
 Текст: Нет доступного текста файла
Оригинал
5.1 сабвуфер СХЕМА ЦЕПИ УСИЛИТЕЛЯ
 Аннотация: 5.1 схема динамика с сабвуфером схема кроссовера сабвуфера схема сабвуфера на 5.1 ампер схема BEST активный сабвуфер схема усилителя ПК схема 7.1 схема динамика с сабвуфером схема 2.1 схема усилителя канала сабвуфера схема усилителя сабвуфера 2.

 
 





