Усилитель для наушников JLh2969
 Доброго времени суток, уважаемые читатели сайта.
Данным обзором хочу начать серию обзоров про усилители для наушников.
Все усилители приобретались и собирались в течение полугода, примерно в лета 2016 маленькими частями, ценой до 22евро (без учета доставки). Для объективности, все усилители будут протестированы в стоковом состоянии, без доработок, с использованием только полученных деталей.
В своих обзорах я, как и ранее, постараюсь не использовать сложных терминов, которые часто встречаются на профильных форумах.
Здесь может содержаться информация, оскорбляющая чувства `верующих`
Теперь об аудиофильских терминах и принципах:
Здесь вы не увидите эпитетов, характеризующих звук. Все измерения проходят в домашних условиях, направление проводов рассматривайте сами. 
Если будет необходимо — следующие фото измерений буду делать с компасом и освещать теплым ламповым светом на фоне увлажненного фикуса.
 Итак, усилитель для наушников, зачем он нужен?
Вроде бы ответ очевиден, но возникает закономерный вопрос: зачем делать наушники, которым нужен еще и усилитель? Не проще ли делать все наушники низкоомными?
Ответ не так прост: чем ниже сопротивление нагрузки (читай — наушников), тем в более тяжелом режиме работает электроника, следовательно тем больше проявляются не лучшие стороны компонентов аудиотракта источника звука.
Данный усилитель уже обозревался на этом сайте уважаемым Alex_74 и даже в таком же корпусе, как у меня. Он уже мелькал в предыдущем обзоре. Целью написания данного обзора, считаю дополнение тестами и измерениями и без того полного обзора с доработкой.
Добралась посылка ко мне за 12 дней. Упаковка стандартная, для товаров такой категории.
Посылка
Ну что же, раз получена будем собирать.
Сборка
Как видно, почти все элементы парные, но слева в середине расположены 5 транзисторов.
 
Я это обнаружил только тогда, когда до них дошла очередь и уже было стал искать замену в своих запасах, но потом вспомнил: из стиральной машины тоже не всегда достаешь парное количество носков, его в процессе «съедает», например, пододеяльник 🙂 Так и получилось у меня — транзистор спрятался в ребрах одного из радиаторов.
Плата немного деформирована
Схема устройства напросвет
Перемычки.
Вот уж кто нам не даст скучать — так это китайцы. Квест по подбору корпуса, с нужными посадочными отверстиями, то еще развлечение. Благо есть комментарии покупателей, на фото которых можно увидеть готовые изделия по твоей задумке.
Вообще изначально этот корпус приобретался для другого кита для самостоятельно сборки, и даже был собран, но потом во мне проснулся перфекционист и велел найти пару для усилителя JLh2969 в той же цветовой схеме и того же автора.
В итоге был приобретен корпус как в обзоре Alex_74
Внешний вид
После сборки своего первого усилителя у меня осталась плата софт-старта и защиты от постоянки на выходе. В этот корпус она идеально помещалась, к тому же, защита лишней не бывает. Забегая вперед, скажу, что у меня эта схема единственная, где защита не предусмотрена изготовителем кита. Для ее питания у меня как раз оказался трансформатор с независимой обмоткой, а значит было бы преступлением не воспользоваться данным совпадением.
Корпус
Самая важная информация, которой не хватает людям для подбора корпуса под продающиеся наборы для самостоятельной пайки — это размеры отверстий и их относительное положение на панелях.
Итак, переходим непосредственно к замерам и тестам.
 
Все типы тестов были проведены в одно время на всех усилителях, с использованием одних и тех же приборов, проводов и компонентов. 
Все измерения RMAA были сделаны при одинаковых установках громкости: Выход звука — 100%, Микрофонный вход — 10%. Изменялась лишь громкость на самом усилителе, для установки уровня сигнала в 0-1дБ. Именно с такими установками звука удавалось начать тест с нагрузкой, без нее и саму в себя. 
Результаты тестов не претендуют на абсолютную точность, они лишь призваны показать отличия и особенности каждого из усилителей. Вообще, глядя на получаемые цифры, я смело не обращал внимание на погрешность в 5-10%.
Условия тестов
Потребляемая мощность удинителем, осциллографом и генератором сигнала.
Собственно измерители, с выставленными значениями сингала
Температура окружающей среды
Ну а как еще… Иначе сошел бы с ума еще до окончания тестов
 Результат тестирования звуковой карты «сама в себя» с помощью кабеля.
Сопротивление наушников
AudioTechnica AT-M50x
Заглянем в спецификации
Диапазон воспроизводимых частот
15 — 28000 Гц 
Чувствительность
99 дБ/мВт 
Импеданс
38 Ом 
Technics RP-F300
Заглянем в спецификации
Диапазон воспроизводимых частот
10 — 27000 Гц
Чувствительность
102 дБ
Импеданс
22 Ом
Так как производители обычно указывают импеданс наушников, измеренный на частоте 1000Гц будем считать значения верными и использовать эту частоту в своих измерениях.
Самое важное — определиться с тем, какие параметры нам нужны и важны. Потом уже, как всю полученную информацию систематизировать и сравнить.
Задача усугублялась тем, что после тестирования наушниками еще хотелось пользоваться, а значит длительно давать большой сигнал нельзя, чтобы не сжечь катушки. Это было сложно все делать одному, поэтому многие фото не получились. Для порядку — пара фотографий процесса.
Результаты тестов
Максимальное зарегистрированное значение потребляемой мощности. От него необходимо отнять начальное значение и получаем 13Вт. На странице продавца рекомендуется использовать трансформатор 30Вт. Отсюда делаем вывод, что предусматривается двойной запас мощности.
Напряжение на выходе трансформатора. Далее по схеме стоят стабилизаторы LM7812 и LM7912.
Просто одно из полученных значений
Значение постоянного напряжения на выходе, т.н. постоянка.
Среднеквадратичное измеренное значение напряжения на наушниках AudioTechnica AT-M50x
Среднеквадратичное измеренное значение напряжения на наушниках Technics RP-F300
 В ходе тестирования было выявлено, что максимально-стабильная величина сигнала, до срабатывания защиты равна 0,72В. Можно поднять и до 1В, но стабильность в этом режиме хромала. Следовательно и мерить будем на нем. В повседневной жизни мы не слушаем синус, поэтому это ограничение не должно быть сдерживающим фактором от покупки данного кита с платой защиты.
 Например максимальное значение синусоидального сигнала с выхода звуковой карты моего компьютера равно 0.92В. Учитывая это, делаю вывод, что запаса достаточно.
Температура после тестирования
Температура на стабилизаторе
Температура на транзисторе
Со временем я просто перешел к фиксации результатов в таблицу.
Результаты тестов в таблице и графиках
Синяя зона — среднеквадратичное измеренное значение напряжения
Зеленая зона — вычисленное амплитудное значение напряжения
Без цвета — вычисленное значение мощности
Красная линия — амплитудное значение напряжения на холостом ходу. Теоретический предел.
Расчетное значение выходного сопротивления
Формула для расчета любезно предоставлена пользователем ksiman в одном из обзоров
Rвых=Rнагр*((Uхх/Uнагр)-1)
 Для измерения параметров звуковых характеристик с целью уменьшения разброса результатов были использованы постоянные резисторы номиналом 33 Ом и 250 Ом, как наиболее часто встречающиеся в наушниках, для которых будут использовать усилители.
Измерения программой RightMark Audio Analyzer
Для начала контрольный замер без нагрузки
Применяем 2 резистора на 33 Ома
Применяем 2 резистора на 250 Ом
 Выводы:
— Выходное сопротивление низкое
— Толерантен к импедансу наушников
— Не любит высокий уровень сигнала
Для чистоты эксперимента были сделаны тесты и на других установках громкости. Старался установить крайние положения для входа и выхода. Приведу результаты в файлах программы RMAA. Если остались вопросы по условиям тестов — пишите в комментариях желаемые условия — проведу дополнительно, при необходимости добавлю в обзор.
Спасибо за внимание.
Усилитель для наушников JLh2969
 Доброго времени суток, уважаемые читатели сайта.
Данным обзором хочу начать серию обзоров про усилители для наушников.
 
Все усилители приобретались и собирались в течение полугода, примерно в лета 2016 маленькими частями, ценой до 22евро (без учета доставки). Для объективности, все усилители будут протестированы в стоковом состоянии, без доработок, с использованием только полученных деталей.
В своих обзорах я, как и ранее, постараюсь не использовать сложных терминов, которые часто встречаются на профильных форумах.
Здесь может содержаться информация, оскорбляющая чувства `верующих`
Теперь об аудиофильских терминах и принципах:
Здесь вы не увидите эпитетов, характеризующих звук. Все измерения проходят в домашних условиях, направление проводов рассматривайте сами. 
Если будет необходимо — следующие фото измерений буду делать с компасом и освещать теплым ламповым светом на фоне увлажненного фикуса.
Итак, усилитель для наушников, зачем он нужен?
Вроде бы ответ очевиден, но возникает закономерный вопрос: зачем делать наушники, которым нужен еще и усилитель? Не проще ли делать все наушники низкоомными?
Ответ не так прост: чем ниже сопротивление нагрузки (читай — наушников), тем в более тяжелом режиме работает электроника, следовательно тем больше проявляются не лучшие стороны компонентов аудиотракта источника звука.
Данный усилитель уже обозревался на этом сайте уважаемым Alex_74 и даже в таком же корпусе, как у меня. Он уже мелькал в предыдущем обзоре. Целью написания данного обзора, считаю дополнение тестами и измерениями и без того полного обзора с доработкой.
Добралась посылка ко мне за 12 дней. Упаковка стандартная, для товаров такой категории.
Посылка
Ну что же, раз получена будем собирать.
Сборка
Как видно, почти все элементы парные, но слева в середине расположены 5 транзисторов. 
Я это обнаружил только тогда, когда до них дошла очередь и уже было стал искать замену в своих запасах, но потом вспомнил: из стиральной машины тоже не всегда достаешь парное количество носков, его в процессе «съедает», например, пододеяльник 🙂 Так и получилось у меня — транзистор спрятался в ребрах одного из радиаторов.
Плата немного деформирована
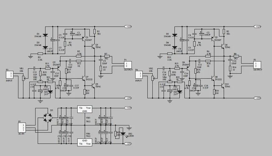
Схема устройства напросвет
Перемычки.
 
Вот уж кто нам не даст скучать — так это китайцы. Квест по подбору корпуса, с нужными посадочными отверстиями, то еще развлечение. Благо есть комментарии покупателей, на фото которых можно увидеть готовые изделия по твоей задумке.
Вообще изначально этот корпус приобретался для другого кита для самостоятельно сборки, и даже был собран, но потом во мне проснулся перфекционист и велел найти пару для усилителя JLh2969 в той же цветовой схеме и того же автора.
В итоге был приобретен корпус как в обзоре Alex_74. Добрался ко мне за 15 дней. Упакован прекрасно: пенопласт + газета с китайскими новостями. Фотографии, к сожалению, не сохранились.
Внешний вид
После сборки своего первого усилителя у меня осталась плата софт-старта и защиты от постоянки на выходе. В этот корпус она идеально помещалась, к тому же, защита лишней не бывает. Забегая вперед, скажу, что у меня эта схема единственная, где защита не предусмотрена изготовителем кита.
 Для ее питания у меня как раз оказался трансформатор с независимой обмоткой, а значит было бы преступлением не воспользоваться данным совпадением.
Из-за близкого расположения трансформатора и платы защиты появился фон. Провод идущий по плате — решение данной проблемы.
Корпус
Самая важная информация, которой не хватает людям для подбора корпуса под продающиеся наборы для самостоятельной пайки — это размеры отверстий и их относительное положение на панелях.
Итак, переходим непосредственно к замерам и тестам. 
Все типы тестов были проведены в одно время на всех усилителях, с использованием одних и тех же приборов, проводов и компонентов. 
Все измерения RMAA были сделаны при одинаковых установках громкости: Выход звука — 100%, Микрофонный вход — 10%. Изменялась лишь громкость на самом усилителе, для установки уровня сигнала в 0-1дБ. Именно с такими установками звука удавалось начать тест с нагрузкой, без нее и саму в себя.
 
Так как тестов предстояло много, был сделан универсальный кабель, который без пайки и разбора корпуса позволял снимать параметры и изменять нагрузку.
Результаты тестов не претендуют на абсолютную точность, они лишь призваны показать отличия и особенности каждого из усилителей. Вообще, глядя на получаемые цифры, я смело не обращал внимание на погрешность в 5-10%.
Условия тестов
Потребляемая мощность удинителем, осциллографом и генератором сигнала.
Собственно измерители, с выставленными значениями сингала
Температура окружающей среды
Ну а как еще… Иначе сошел бы с ума еще до окончания тестов
Результат тестирования звуковой карты «сама в себя» с помощью кабеля.
Сопротивление наушников
AudioTechnica AT-M50x
Заглянем в спецификации
Диапазон воспроизводимых частот
15 — 28000 Гц 
Чувствительность
99 дБ/мВт 
Импеданс
38 Ом 
Technics RP-F300
Заглянем в спецификации
Диапазон воспроизводимых частот
10 — 27000 Гц 
Чувствительность
102 дБ 
Импеданс
22 Ом 
Так как производители обычно указывают импеданс наушников, измеренный на частоте 1000Гц будем считать значения верными и использовать эту частоту в своих измерениях.
 
Самое важное — определиться с тем, какие параметры нам нужны и важны. Потом уже, как всю полученную информацию систематизировать и сравнить.
Задача усугублялась тем, что после тестирования наушниками еще хотелось пользоваться, а значит длительно давать большой сигнал нельзя, чтобы не сжечь катушки. Это было сложно все делать одному, поэтому многие фото не получились. Для порядку — пара фотографий процесса.
Результаты тестов
Максимальное зарегистрированное значение потребляемой мощности. От него необходимо отнять начальное значение и получаем 13Вт. На странице продавца рекомендуется использовать трансформатор 30Вт. Отсюда делаем вывод, что предусматривается двойной запас мощности.
Напряжение на выходе трансформатора. Далее по схеме стоят стабилизаторы LM7812 и LM7912.
Просто одно из полученных значений
Значение постоянного напряжения на выходе, т.н. постоянка.
Среднеквадратичное измеренное значение напряжения на наушниках AudioTechnica AT-M50x
Среднеквадратичное измеренное значение напряжения на наушниках Technics RP-F300
В ходе тестирования было выявлено, что максимально-стабильная величина сигнала, до срабатывания защиты равна 0,72В.
 Можно поднять и до 1В, но стабильность в этом режиме хромала. Следовательно и мерить будем на нем. В повседневной жизни мы не слушаем синус, поэтому это ограничение не должно быть сдерживающим фактором от покупки данного кита с платой защиты. Например максимальное значение синусоидального сигнала с выхода звуковой карты моего компьютера равно 0.92В. Учитывая это, делаю вывод, что запаса достаточно.
Температура после тестирования
Температура на стабилизаторе
Температура на транзисторе
Со временем я просто перешел к фиксации результатов в таблицу.
Результаты тестов в таблице и графиках
Синяя зона — среднеквадратичное измеренное значение напряжения
Зеленая зона — вычисленное амплитудное значение напряжения
Без цвета — вычисленное значение мощности
Красная линия — амплитудное значение напряжения на холостом ходу.
 Теоретический предел.
Расчетное значение выходного сопротивления
Формула для расчета любезно предоставлена пользователем ksiman в одном из обзоров
Rвых=Rнагр*((Uхх/Uнагр)-1)
Для измерения параметров звуковых характеристик с целью уменьшения разброса результатов были использованы постоянные резисторы номиналом 33 Ом и 250 Ом, как наиболее часто встречающиеся в наушниках, для которых будут использовать усилители.
Измерения программой RightMark Audio Analyzer
Для начала контрольный замер без нагрузки
Применяем 2 резистора на 33 Ома
Применяем 2 резистора на 250 Ом
Выводы:
 — Выходное сопротивление низкое
 — Толерантен к импедансу наушников
 — Не любит высокий уровень сигнала
Для чистоты эксперимента были сделаны тесты и на других установках громкости.
 Старался установить крайние положения для входа и выхода. Приведу результаты в файлах программы RMAA. Если остались вопросы по условиям тестов — пишите в комментариях желаемые условия — проведу дополнительно, при необходимости добавлю в обзор.
Спасибо за внимание.
Всё об усилителе JLH. Часть I — рождение легенды.
В последнее время наблюдается новая волна интереса радиолюбителей к усилителю Джона Линсли Худа (John Linsley-Hood, в народе JLH). Этот интерес подогревается интернет-магазинами и аукционами, где появились в большом количестве разные вариации этого усилителя как в виде готовых конструкций, так и в виде наборов для самостоятельной сборки. Не утихают обсуждения схемы и на форумах.
Но порой, аббревиатуру JLH вешают на конструкции, которые ничего общего с легендарным усилителем не имеют!
Давайте попробуем разобраться в особенностях схемотехники этого усилителя, его достоинствах и недостатках. Творение британца безусловно заслуживает отдельного внимания, так как схема разработанная в далёком 1969 году успешно дожила до наших дней, пережила несколько реинкарнаций и до сих пор будоражит умы истинных аудиофилов.
История этой схемы началась в далёком 1969 году. Первая публикация была в журнале «Wireless World». Ниже представлен её перевод:
В последнее время на страницах разных изданий было опубликовано множество схем транзисторных усилителей мощности. К сожалению большинство этих конструкций малопригодны для повторений, так как либо имеют устаревшую элементную базу (это писалось в 1969 году!), либо очень сложные по схемотехнике, либо имеют слишком высокую выходную мощность, которая совершенно не нужна для комфортного прослушивания музыки в обычной жилой комнате типовых размеров.
Поэтому появилась идея создать простой, но качественный усилитель с разумной выходной мощностью.
Выходная мощность и искажения.
Ввиду огромной популярности лампового усилителя Mullard «5-10» можно сделать вывод, что 10Вт (в одном канале) выходной мощности вполне достаточно для озвучивания жилой комнаты в разумных пределах. В стереосистеме, где используются два таких усилителя, с акустическими системами средней чувствительности уровень громкости получался даже больше необходимого.
Основы стандартов по гармоническим искажениям для усилителей мощности были заложены D. T. N. Williamson в его серии статей в 1947-1949 годах, в которых он пришёл к выводу, что уровень искажений для высококачественного звуковоспроизведения не должен превышать 0,1% при номинальной выходной мощности. Поскольку в ламповых усилителях основную долю искажений вносит выходной трансформатор, а современные транзисторные схемы позволяют избавиться от этого очень нелинейного элемента, то требования по искажениям можно несколько ужесточить и принять за необходимую величину в 0,05% при максимальной мощности в полосе частот 30Гц-20кГц. Выходная мощность также должна быть постоянная в этой полосе частот.
Схемотехника.
Тут мы пропустим описание популярных в те годы усилителей класса «В» и их недостатков.
Альтернативным  подходом в конструировании усилителей мощности является использование класса «А» для транзисторов выходного каскада. Это позволяет получить высокие характеристики при простоте конструкции и, как следствие, мы имеем лучшую симметрию плеч, снижение коммутационных искажений, меньшие тепловые искажения (хотя усилитель класса «А» всегда довольно теплый, температура его транзисторов гораздо стабильнее, чем усилителя класса «В»).
 Самым существенным недостатком класса «А» является низкий КПД и необходимость использования радиаторов больших размеров.
Однотактные каскады в классе «А» с резистивной нагрузкой самые низкоэффективные. Замена резистора на дроссель улучшает характеристики каскада, но теряется главное преимущество — отсутствие дорогостоящих, громоздких и нелинейных моточных элементов. Поэтому оптимальным как в плане производительности, так и в плане упрощения конструкции будет двухтактный каскад с противофазным возбуждением, как показано на рисунке:
Такое включение транзисторов даёт очень низкие искажения даже без использования отрицательной обратной связи за счёт взаимной компенсации нелинейности характеристик транзисторов, плюс каскады имеют высокое входное и низкое выходное сопротивления, что обеспечивает близкое к оптимальному согласование каскадов.
Самое время дать слово другому фанату «горячих» усилителей. Хотя Нельсон Пасс (Nelson Pass) является приверженцем полевых транзисторов, он не оставил без внимания легендарный усилитель JLH, несмотря на то, что тот полностью выполнен на биполярных транзисторах.
 Вот что он написал в своей статье:
Усилитель Джона Линсли Худа даже спустя 30 лет восхищает простотой конструкции и великолепным качеством звучания.
Центром топологии является средний каскад на транзисторе n-p-n структуры, который выполняет роль фазоинвертора и управляет и верхним, и нижним плечами усилителя.
Упрощенная схема усилителя представлена на рисунке:
Входной сигнал подается на базу транзистора Q1, а с его коллектора усиленный и проинвертированный поступает на базу Q2, который и усиливает сигнал и формирует противофазные сигналы для выходного каскада, выполненного на транзисторах Q3 и Q4. Транзистор Q3 включен по схеме с ОЭ, поэтому обеспечивает усиление и тока и напряжения. Транзистор Q4 включен по схеме с ОК, поэтому работает как повторитель и усиливает только ток.
Резисторы R3-R5 формируют напряжения смещения для транзисторов, а резисторы R1-R2 формируют общую отрицательную обратную связь по току.
Транзистор Q2 является сердцем этой топологии и на мой взгляд это очень простое и элегантное решение для управления выходным каскадом.
Этот дизайн родился в эпоху, когда эра ламповых усилителей подходила к концу (по крайней мере так казалось). Радиоинженеры старались проектировать транзисторные усилители с высокой выходной мощностью и предельно низкими искажениями. Но такие усилители в большинстве своем были очень сложны и отличались большим количеством цепей отрицательных обратных связей.
Прошло уже 46 лет и прогресс не стоит на месте. И кто-то может воспринимать усилитель JLH как упражнения в минимализме…пока не послушает его. Вы будете удивлены качеством звучания этого усилителя, несмотря на довольно скромную выходную мощность (по нынешним меркам). Если у вас есть высокочувствительные акустические системы и вас устраивает стерео-вариант домашней системы, то усилитель JLH в этой «номинации» будет в топовых позициях.
Этот усилитель имеет разумные характеристики (ничего сверхнизкого или запредельного), в конструкции нет элементов дороже 3$, но воспроизводит настоящую музыку.
 Его недостатки незаметны и он извлекает больше музыки из современных записей и даже из mp3. Я не могу назвать другой топологии того времени, которая работала бы также хорошо.
Заметим, что Нельсон Пасс как-то обошёл стороной ещё одну особенность этой топологии. Как известно, биполярные транзисторы управляются током базы (в отличие от полевых, которые управляются напряжением на затворе). В усилителе JLH выходной ток предыдущего каскада является входным током для последующего. На рисунке вверху: весь коллекторный ток транзистора Q1 втекает в базу (является управляющим) транзистора Q2. Аналогично и в других каскадах.
Для внимательных читателей: резистор R3 является источником стабильного тока (в поздних вариантах усилителя этот резистор был заменен на активный источник тока), поэтому все изменения коллекторного тока транзистора Q2 непосредственно отражаются на базовом токе транзистора Q4. То есть мы имеем практически идеальные условия управления транзисторами.
 
Для самых внимательных читателей: да, в практической схеме этого усилителя вы увидите дополнительные резисторы в базовых цепях транзисторов. Но, если вы знаете закон Ома, то простой расчёт покажет, что ток через эти резисторы практически НЕ течёт, а нужны они для защитных целей и привязки потенциалов. Так что принцип токового управления не нарушается.
Но вернёмся к статье самого Джона Линсли Худа.
На рисунке представлена оригинальная принципиальная схема усилителя мощности для практической реализации (схема публикуется в том виде, в каком она была в журнале 1969 года):
Общее усиление схемы для типовых параметрах транзисторов составляет порядка 600 при разорванной цепи общей отрицательной обратной связи. При замкнутой цепи ОООС усиление определяется соотношением (R3 + R4) / R4 и для указанных на схеме номиналах составляет около 13. Таким образом глубина общей ООС этого усилителя составляет 34dB, а выходное сопротивление 160 мОм.
На звуковых частотах импеданс конденсатора С3 очень мал по сравнению с номиналом резистора R4, поэтому влиянием этого конденсатора можно пренебречь. Однако, для постоянного тока, благодаря конденсатору С3, усилитель оказывается охвачен 100% обратной связью, что способствует жесткой стабилизации режимов работы.
Элементы C1, R1,R2 образуют источник стабильного тока. Изменяя номиналы резисторов R1 и R2, можно регулировать ток покоя оконечного каскада усилителя и сделать его оптимальным под разное сопротивление нагрузки.
Резисторы R6 и R5 формируют напряжение смещения первого каскада. Регулировкой резистора R5 необходимо установить в точке «Х» напряжение равное половине от напряжения питания усилителя для получения максимальной выходной мощности.
Теперь, когда мы знаем и топологию, и принципиальную схему усилителя JLH, посмотрим какой суррогат выдают в Интернете за клон легендарного усилителя.
На одном относительно популярном радио-портале активно обсуждается конструкция усилителя для наушников почему-то названная «Green JLH».
 Вот принципиальная схема одного канала:
На всякий случай напомним топологию классического JLH: каскад с ОЭ — фазовращательный каскад — двухтактный каскад в классе «А». Всего три каскада охваченных общей ООС по току.
В усилителе «Green JLH» имеем: каскад с ОЭ — ещё один каскад с ОЭ (хотя фазу сигнала он тоже вращает, но зачем?) — однотактный повторитель на полевом транзисторе.
Да — здесь тоже три каскада, да- здесь тоже общая ООС по току. Но каким боком это JLH??? И с чего он позеленел? Теперь ко всем трёхкаскадным усилителям надо лепить аббревиатуру «JLH»?
Автор пишет: «на нагрузке 32 Ом усилитель развивает амплитуду сигнала 2В«. Но позвольте, на выходе практически всех современных источников сигнала (CD- и DVD-проигрывателей, DAC, звуковых карт компьютеров и т.д.) амплитуда сигнала и так составляет 2В. Что тогда делают в схеме два каскада с ОЭ, которые в теории должны усиливать напряжение? Похоже именно для устранения излишнего усиления автору пришлось увеличить глубину общей ООС.
 
Хотя можно было бы просто исключить каскад на транзисторе Q2. Тогда и тракт бы стал короче, и глубину ООС можно было бы уменьшить, что должно благоприятно сказаться на звучании. Но тогда бы пришлось по другому организовать цепь ООС и усилитель абсолютно не напоминал топологию JLH…
Стабильность, мощность и сопротивление нагрузки.
Кремниевые планарные NPN транзисторы обладают отличными высокочастотными свойствами (напомним, что это пишет человек в 1969 года про транзисторы с граничной частотой усиления в 4 МГц!), что способствует хорошей стабильности при работе на реактивную нагрузку. Автору не удалось найти комбинацию значений емкости и индуктивности для нагрузки, которые бы привели к возбуждению усилителя. Чисто индуктивная нагрузка может стать причиной неустойчивости усилителя, для устранения которой, достаточно зашунтировать резистор R3 конденсатором небольшой ёмкости, чтобы ограничить полосу частот на ВЧ.
Схема усилителя с указанными значениями номиналов элементов может без проблем работать с нагрузкой сопротивлением от 3 до 15 Ом.
 Тем не менее, для получения максимальной эффективности имеет смысл подобрать некоторые элементы под конкретное сопротивление нагрузки. В этом поможет таблица:
По таблице вы можете в зависимости от сопротивления нагрузки (ZL) определить необходимые напряжение питания и ток покоя, номиналы элементов, а так же чувствительность усилителя (Vin).
На каждом транзисторе выходного каскада рассеивается мощность порядка 17Вт. Чтобы температурный режим транзисторов не выход за безопасные пределы, их необходимо установить на ребристые радиаторы с достаточной площадью охлаждающей поверхности. Да, это будут довольно большие и массивные радиаторы. Такова плата за класс «А», простоту схемы и высокое качество звучания.
При напряжении питания от 30В и выше выходные транзисторы TR1 и TR2 следует заменить на MJ481s , а транзистор ТR3 на 2N1613.
Выходное сопротивление предварительного усилителя, используемого совместно с усилителем мощности JLH не должно превышать несколько килоОм, иначе потребуются дополнительные каскады для согласования, что удлинит усилительный тракт и увеличит искажения.
Подбор транзисторов.
Автор провёл ряд экспериментов, чтобы выяснить, как зависят характеристики усилителя от коэффициента передачи тока базы используемых транзисторов(h31э). Как и ожидалось, минимальные искажения были получены при использовании транзисторов с максимальным значением h31э и с подобранными транзисторами в выходном каскаде. Достойной замены (напомним, это было в 1969 года) найти не удалось, но транзисторы разных производителей показали одинаковые результаты. Аналогично и для транзистора первого каскада — замена 2N4058 от Texas Instruments на 2N3906 от Motorola на характеристиках усилителя не сказалась.
Наибольшее влияние на коэффициент искажений усилителя оказывают транзисторы выходного каскада. В таблице представлены результаты экспериментов для транзисторов с разными коэффициентами передачи тока базы:
Увеличение по клику
Как видно из таблицы, искажения усилителя минимальны, когда коэффициенты передачи тока базы транзисторов выходного каскада равны и максимальны.
 Если нет возможности подобрать идентичные транзисторы, то для минимизации искажений транзистор с максимальным коэффициентом усиления следует использовать в качестве TR1 (сравните строки 2- 3 и 4-5). В строке 6 приведены результаты для транзисторов 2S034 от Texas Instruments. Как видим, тип транзисторов не так критичен, как их коэффициент передачи тока базы.
Кстати, легко и с высокой точностью подобрать пары транзисторов для выходного каскада вы можете с помощью нашего прибора. Китайский тестер рассчитан на маломощные транзисторы и здесь не подходит.
Измерения показали, что до ограничения сигнала (то есть без перегрузки усилителя) в спектре искажений доминирует вторая гармоника, как у ламповых усилителей.
Характеристики и звучание.
Конечно, сухие цифры не дадут представления о звучании этого усилителя. Но раз принято измерять и указывать технические характеристики, то и мы не будем отступать от этого правила.
На рисунке представлена амплитудно частотная характеристика усилителя JLH.
 Как видно, зависимость абсолютно линейна в диапазоне частот 50Гц-95кГц.
На рисунке представлена зависимость выходной мощности усилителя от чатоты:
Зависимость коэффициента гармоник от частоты:
Небольшой подъём на низких частотах обусловлен влиянием конденсатора С3.
Зависимость искажений (на частоте 1 кГц) от выходной мощности усилителя:
Хотя характеристики и звучание усилителя не сильно коррелированы друг с другом, тем не менее, полученные графики вселяют надежду на качественный звук, не хуже чем у ламповых усилителей.
Всё познаётся в сравнении! Поэтому был устроен сравнительный тест усилителей. В качестве эталонного использовался ламповый усилитель «Williamson», который построил сам Джон Линсли Худ, не жалея средств (использовались только самые высококачественные комплектующие) и времени (настройка усилителя была выполнена самым тщательным образом). Контрольная группа слушателей не смогла выявить в «слепом» тесте явного лидера.
Тогда был устроен тест, в котором принимали участие шесть различных усилителей: промышленные и самодельные, ламповые и транзисторные, в классе «А» и в классе «В». Разумеется в тесте остались усилитель «Williamson» и JLH и оба оказались лучше, чем другие ламповые усилители, участвующие в тестах. При использовании «быстрой коммутации» (когда не приходилось перекручивать на клеммах провода от акустических систем) удалось выявить нюансы в звучании этих усилителей. При общей схожести у транзисторного усилителя JLH оказались лучше проработаны самые верхние частоты спектра.
В звучании усилителей класса «В» и класса «А» различия были более заметны. У усилителя JLH не только отсутствовала «жёсткость» в верхнем регистре, особенно заметная на звучании струнных инструментов, но и в целом звук был более «лёгким», открытым.
Конечно, усилитель JLH по габаритам, массе, КПД и выделению тепла сильно проигрывал усилителям класса «В», но по мнению автора, разница в их звучании того стоит!
Справедливости ради стоит отметить, что у хорошего усилителя класса «В» указанные недостатки не сильно заметны и выявляются только при прямом тестировании усилителей, что называется «лоб  в лоб».
Продолжение следует…
Похожие статьи:
- Всё об усилителе JLH. Часть III — второе пришествие.
 - Всё об усилителе JLH. Часть V — продолжение следует?
 - Всё об усилителе JLH. Часть VI — Правильное питание — залог здоровья!
 - Всё об усилителе JLH. Часть II — после сборки обработать напильником.
 - Всё об усилителе JLH. Часть IV — немного эзотерики.
 
Сайт усилителей класса A — усилители для наушников JLH
Сайт усилителей класса A
Это Страница была в последний раз обновлялась 20 июля 2001 г.
[Back to Index]
Усилители наушников JLH
 Следующие два усилителя наушников JLH были включены из -за их соответствующей схемы на другие проекты на дизайне на дизайне на дизайне на дизайне на дизайне на дизайне на дизайне. этот сайт.![]()
Первая схема была первоначально опубликована в Hi-Fi News and Record Review 19 января.79. По сути, это усилитель JLH Class-A, модифицированный для работы с более высокой импедансной нагрузкой. У меня нет полной копии оригинальной статьи, но после схемы я перечислил некоторую информацию о производительности этой конструкции. Осциллограммы, включенные в статью, показали идентичные характеристики прямоугольной волны 10 кГц при нагрузках 100 Ом, 100 Ом/0,22 мкФ и нагрузке наушников, а также чистое искажение второй гармоники при синусоидальном входе 1 кГц и 10 кГц.
Второй дизайн был впервые опубликован в ETI в середине 1980-х (копия, которая у меня есть, взята из Electronics Digest, зима 1985/86) и была частью серии статей, посвященных законченному интегральному усилителю. Схема имеет более чем мимолетное сходство с конструкциями Hiraga Class-A. Полный текст оригинальной статьи воспроизводится под схемой.
Схема 1
Производительность
 Цель этого цепи состояла в том, чтобы воспользоваться преимуществами свободы дизайна, предоставленной по требованиям относительно низкой нагрузки требования нормального нагрузки, нормы, нагрузки, срок службы.
 и разработать систему, свободную от ограничений и компромиссов, присущих обычным схемам усилителей мощности. Поэтому есть надежда, что он будет рассматриваться не как заменитель усилителя мощности для бедняков, а скорее как эталонный стандарт, по которому можно будет судить о существующих более мощных устройствах.
Данные о производительности
Частота (Гц)  | КНИ (%)  | 
100  | 0,014  | 
300  | 0,007  | 
1к  | 0,008  | 
3к  | 0,017  | 
10к  | 0,044  | 
 THD – исключительно вторая гармоника (включая шум), измеренная при среднеквадратичном напряжении 1 В в наушниках с сопротивлением 100 Ом (номинальное).
Время выключения и включения – менее 0,5 мкс.
Время установления (с точностью до 1%) – 6 мкс, не зависит от реактивного сопротивления нагрузки до 0,22 мкФ.
Рекомендуемая нагрузка – минимум 8 Ом; идеально от 35 Ом до бесконечности.
Схема 2
Ученики AMP
 Если Preamp — отдельный блок от Power Amp, это очень полезное. небольшой усилитель для наушников, способный раскачать пару пар телефонов в коробке предусилителя. Однако, если этот усилитель должен быть точным монитором сигнала, подаваемого на усилитель мощности, и если в архитектуре, предложенной для этого устройства, во многих случаях сигнал от вспомогательных устройств будет направляться непосредственно на усилитель мощности, качество усилителя для наушников во всяком случае должно быть выше, чем у самого усилителя мощности.
К счастью, усилитель для наушников выполняет гораздо более простую работу, поскольку ни требования к выходной мощности, ни нагрузочные характеристики не являются столь жесткими, поскольку наушники обычно имеют сопротивление нагрузки 100–2000 Ом и требуют всего 1–2 В. max RMS, для нормального выхода. Конечно, есть электростатические усилители, которые могут потреблять 5-10 Вт при нагрузке до нескольких Ом, но в любом случае их лучше всего использовать от усилителя мощности, а для наушников «8 Ом» в любом случае потребуется очень низкое напряжение возбуждения.
 Поскольку требуется только малая выходная мощность, ступень класса А вполне возможна. Поскольку требуются только небольшие выходные транзисторы, легко найти 10-мегагерцовые fT-устройства, и, в любом случае, работа в классе A обеспечивает хорошие ВЧ-отклики. Единственные другие мысли, которые заслуживают похвалы, заключаются в том, что конструкция должна быть полностью симметричной и напрямую связана с выходом, и что там, где используются шунтирующие конденсаторы электролитического типа NFB, они должны иметь поляризующее напряжение на них.
 Это также улучшит качество звука, если усилитель имеет несколько каскадов, использующих дискретные компоненты, и не требуются компоненты спада ВЧ, ограничивающие скорость нарастания.
На схеме показана конструкция, отвечающая этим требованиям и обеспечивающая превосходное качество звука.
Базовая система усилителя выглядит следующим образом. Пара двухтактных входных транзисторов Q1 и Q2 управляет двухтактной парой выходных транзисторов Q5 и Q6. Отрицательная обратная связь берется с точки выхода на эмиттеры Q1 и Q2, а нагрузка подключается между объединенными коллекторами Q5 и Q6. Для адекватной работы класса А выходные транзисторы должны проходить, скажем, по 100 мА каждый. При питании +/-15 В это будет означать рассеивание 1,5 Вт, поэтому для каждого потребуется небольшой радиатор, возможно, 1,5-дюймовый квадратный.
 Если выходные транзисторы имеют минимальный коэффициент усиления по току 50, то для каждого из них может потребоваться максимальный входной ток на их базы 2 мА.
 Чтобы обеспечить это, с небольшим запасом входных транзисторов, Q1 и Q2 должны нормально проходить около 4 мА. Если они имеют усиление по току 150, их базовые токи будут 0,004/150 = 26,7 мкА, что дает входное сопротивление около 9 кОм. Регулятор входного усиления (и поскольку он также должен обеспечивать функцию «баланса», это должен быть тип с двумя концентрическими шпинделями), следовательно, должен быть немного меньше этого: значение 4k7 будет в порядке. К сожалению, некоторые источники входного сигнала могут иметь слишком высокий импеданс, чтобы управлять им. Поэтому может оказаться необходимым обеспечить входной буфер (см. ниже), в противном случае использовался бы «прямой» путь прохождения сигнала. (Система записи с 3 головками обычно имеет «линейный» выходной импеданс (600 Ом), поэтому она может без проблем управлять усилителем для наушников.)
 Возвращаясь к схеме усилителя для наушников, теперь мы должны предоставить источник эмиттерного тока для транзисторов Q1 и Q2 и средства управления током через транзисторы Q5 и Q6.
 Ток эмиттера для Q1/Q2 получается из линий +/-15 вольт через резисторы R2 и R3. Для падения 14,5 В и потока 4 мА потребуется сопротивление резистора 3625 Ом. Ближайшее предпочтительное значение — 3k9, которое будет пропускать ток 3,7 мА, хотя через резисторы R6 и R8 также будет протекать около 250 мкА.
Глядя теперь на Q5 (работа схемы для Q6 такая же), небольшой резистор (6R8 Ом) в эмиттерной цепи определяет протекание тока. Если это значение слишком велико, к транзистору усилителя постоянного тока Q3 через R8 подается прямое смещение (C6 удаляет все аудиосигналы с этой точки), что приводит к тому, что Q3 проводит и крадет управляющий ток из базы Q5, удерживая токи коллектора. Q5 (и Q6, для которых операция идентична) выбранному среднему значению.
 Отрицательная обратная связь подается с выходов Q5 и Q6 на эмиттеры Q1 и  Q2.  Это дает меру управления выходным напряжением постоянного тока, но его можно точно отрегулировать резисторами R9, R13 и RV2, которые регулируют ток коллектора транзистора Q6 относительно тока транзистора Q5.
 Выходной уровень постоянного тока 0 В +/- 50 мВ является адекватным. Поскольку базы транзисторов Q1/Q2 соединены вместе, их эмиттеры будут иметь напряжения –0,55 В и +0,55 В соответственно, что обеспечивает постоянный потенциал 0,55 В на конденсаторах C2/C3 и C4/C5. C4/C5 должны быть алюминиевыми электролитами с низким ESR, а не полипропиленовыми или поликарбонатными типами C2/C3 100 нФ.
При типичном сопротивлении нагрузки наушников суммарный коэффициент гармоник выходного сигнала практически такой же, как у входного сигнала, как и переходная характеристика.
Буфер
Схема симметричного составного истокового повторителя на биполярных полевых транзисторах работает очень хорошо, с незначительными устойчивыми или переходными искажениями.
[ Вернуться к оглавлению ]
  ИСТОРИЯ:  Страница создана 20.07.
 2001
Усилитель для наушников JLH | Страница 49
Перейти к последнему
джбау
Участник
#961
- #961
 
 Он, конечно, гладкий. Если не появится лучший вариант, я склоняюсь к перепрофилированию корпуса этого импульсного генератора Systron с перфорацией сверху, по бокам и снизу: 
 https://cdn11.bigcommerce.com/s-a1x..
 .r-10.39__66606.14
881.jpg?c=2?imbypass=on
автек
Участник
#962
- #962
 
Лол, это корпус Hammond серии 1455 с алюминиевой пластиной, изготовленной на станках с ЧПУ, вместо простой верхней крышки для вентиляции. Я еще не взял на себя обязательство обрабатывать оригинальную верхнюю крышку — у вас есть только один шанс!
Он действительно похож на коптильню для барбекю, скажу я вам, но клянусь, я черпал вдохновение не там!
 А если серьезно, я считаю, что с коробками Hammond легко работать, они выглядят прилично за небольшие деньги и могут поглощать много тепла даже в сумасшедшую австралийскую летнюю жару.
 Они бывают разных размеров и обычно хорошо продаются у вашего любимого крупного поставщика (Mouser, Farnell, Newark и т. д.).
Далее я собираюсь разработать перегревающийся, ненадежный усилитель, поместить его в этот корпус и назвать его Коптильня
джбау
Участник
#963
- #963
 
 Вот модификации, которые я сделал для каждого канала за последний год или около того.
 Наряду с улучшениями в блоках питания и исправлением некоторых ошибок в расположении дорожек, эта штука теперь звучит и измеряется действительно превосходно для 80 Ом HP и выше. И по-прежнему хорошо работает с телефонами с более низким Z, которые имеют высокую чувствительность, например, мои 44-омные AKG с рейтингом 109.дБ SPL/В. Я до сих пор не нашел для него идеального корпуса…
(Кстати, нумерация деталей не моя и не соответствует плате, на которой указаны только номиналы деталей.)
Последнее редактирование:
nicoch58
Участник
#964
- #964
 
jbau сказал:
Вот моды, которые я сделал для каждого канала за последний год или около того. Наряду с улучшениями в блоках питания и исправлением некоторых ошибок в расположении дорожек, эта штука теперь звучит и измеряется действительно превосходно для 80 Ом HP и выше. И по-прежнему очень хорошо работает с телефонами с низким Z, которые имеют высокую чувствительность, например, мои 44-омные AKG с рейтингом 109 дБ SPL/V. Я до сих пор не нашел для него идеального корпуса…
(Кстати, нумерация деталей не моя и не соответствует печатной плате, на которой указаны только номиналы деталей.
)
Нажмите, чтобы развернуть…
R19 к сервоприводу?
джбау
Участник
#965
- #965
 
nicoch58 сказал:
Р19к сервоприводу?
Нажмите, чтобы развернуть…
 Да, я почти уверен, что это обсуждалось ранее в этой ветке как лучший способ справиться с огромной температурной чувствительностью схемы.
 Конечно, вы можете использовать стандартную схему смещения входа, если хотите.
Реакции: 1 пользователь
джбау
Участник
#966
- #966
 
 Я решил добавить: у меня есть сервопривод в цепи уже пару месяцев, и я не нахожу это важным. Это больше касается удобства и душевного спокойствия: мне больше не нужно ждать 30 минут, прежде чем подключить наушники.
 Дело в том, что с сервоприводом или без, усилитель не звучит наилучшим образом, пока не прогреется (бета-версия выходов значительно увеличивается при рабочей температуре). Так что в любом случае вы, вероятно, дадите ему 30 минут или около того, прежде чем приступить к серьезному прослушиванию.
Показать скрытый контент низкого качества
Вы должны войти или зарегистрироваться, чтобы ответить здесь.
Делиться:
Фейсбук Твиттер Реддит Пинтерест Тамблер WhatsApp Эл. адрес Делиться Ссылка на сайт
JLH Pure предусилитель класса А
каушик
Известный член
- #1
 
 Здесь Печатная плата / комплект усилителя для наушников JLH HiFi — Платы | Комплекты | Компоненты | Модули | Инструменты 
 2 платы и 3 полных комплекта по цене 57 долларов США включает доставку
за комплект всего за 20 долларов США
Это небольшая, но высокопроизводительная плата усилителя для наушников. Конструкция соответствует усилителю JLH-2005 класса A. В этой конструкции BD140 был заменен на BC560, а BD139 заменен на BC550. MJE3055 используется в качестве управляющего транзистора. Небольшого радиатора достаточно, потому что 200 мА Iq достаточно для смещения усилителя наушников. Общий THD составляет всего 0,008% (600 Ом, 1 кГц, 0,5 Вp-p). При прослушивании через HD600 высокие частоты четкие, басы полны энергии. Общее исполнение отличное!
Характеристики
— Дизайн JLH-2005 класса А
— Дизайн класса А, высочайшая производительность
— Мощность от 8 до 15 В
— Макс.выходная мощность 1 Вт
— Возможность управления 32? до 600? усилитель для наушников
— КНИ 0,008% при 1 кГц, 600 Ом, 1 Впик-пик
— смещение по постоянному току, плоская частотная характеристика от 0 до 100 кГц
— низкий IQ, небольшой радиатор
— радиатор входит в комплектНажмите, чтобы развернуть…
аудио
Известный член
- #2
 
Блок питания для усилителя для наушников JLH — платы | Комплекты | Компоненты | Модули | Инструменты
Блок питания там же
каушик
Известный член
- #3
 
iaudio сказал:
Блок питания для усилителя для наушников JLH — Платы | Комплекты | Компоненты | Модули | Инструменты
Электропитание для того же
Нажмите, чтобы развернуть…
 Спасибо, iaudio, но из-за того, что блок питания не нужно импортировать, так как доставка и таможня тяжелых предметов могут сделать сборку дорогой подойдет даже пара Panasonic 10000 мкФ (максимум 200 рупий), которую я могу получить у промышленных поставщиков. 
 другие компоненты моста — 20 рупий, 0,1 мкФ/200 В-10 рупий 
 разъемы платы -70р
полный блок питания пойдет <700р
Аудиодок
Известный член
- #4
 
Да каушик прав в отношении стоимости. Тороид местного производства от torotrans также будет стоить около 500 баксов. Вы купили такие же.
Пара хороших конденсаторов с высокой емкостью, параллельная паре маломощных (1000 мкФ) конденсаторов с низким ESR, подойдет.
Каптраджеш
Модератор
- #5
 
Вы, ребята, не упускаете из виду стоимость «мостового выпрямителя» и связанных с ним схем?
каушик
Известный член
- #6
 
капраджеш сказал:
Вы, ребята, не упускаете из виду стоимость «мостового выпрямителя» и связанных с ним схем?
Нажмите, чтобы развернуть…
Крошечный мост будет стоить 20 рупий, я ошибаюсь?
аудио
Известный член
- #7
 
Кошик, ты его построил/заказал?
каушик
Известный член
- #8
 
Чистый класс A Любителям усилителей HP придется сделать GB или начать заказ с 57 долларов США.
Мой HP нуждается в повторном прокладывании кабелей/перекладывании.. ненавижу прикасаться к этой деятельности
, поэтому AMP находится в стадии разработки.
двери666
Известный член
- #9
 
 10 000 mfd 50v rubycon доступен на радио Amar за 175/-. Усилитель мощности потребует гораздо меньшего напряжения, а значит, и меньшей стоимости. а если серьезно, то зачем такая большая емкость для усилителя мощности, какого бы класса он ни был.
 Диоды
стоят 10-20 баксов за штуку. Комплект
O2 с деталями хорошего качества с доставкой стоит около 40$. нужен только трансформатор 15 В переменного тока 500 мА, разъемы и т. д. также включены. Имеет бортовой источник питания и зарядное устройство для аккумуляторов (2×9в). Учитывая все, с jlh особой экономии нет. С точки зрения качества, я думаю, что оба усилителя должны быть очень хорошими.
Рекомендации по усилителю для наушников | Аудио форум GroupDIY
лн76д
Известный член
- #1
 
Привет,
 ищу усилитель для наушников, может быть недорогой, но приличный или по крайней мере простой в модификации 
 Кто-нибудь находил что-нибудь приличное прямо из Китая (без наклеек европейский/американский)? 
 Все, что может работать с наушниками до 800 Ом.
 
 Для прослушивания во время записи. 
гираф
Известный участник
- #2
 
Что-то вроде этого?
http://www.banggood.com/DIY-HIFI-Fever-Amp-Headphone-Amplifier-Kit-p-9
.html?rmmds=search
Или это:
http://www.banggood.com/A1-Headphone-Amplifier-DIY-Kit-Set-Chassis-AMO-Module-Based-On-Beyerdynamic-Amplifier- Module-Kit-p-1095261.html?rmmds=mywishlist
Сам не пробовал, но в целом выглядит неплохо.
Якоб Э.
лн76д
Известный член
- #3
 
Спасибо, Джейкоб
Выглядит довольно хорошо и совершенно дешево
Мне очень жаль, я был не точен.
 Ищу усилитель в комплекте с корпусом. 
 Это может быть комплект, но с подходящим корпусом. 
 Мне нужно четыре усилителя, и если мне нужно будет сделать для него корпуса, возможно, я закончу его в первой половине 2018 года 
 Мне нужно что-то приличное, чтобы использовать его некоторое время, быстро. 
 После того, как я полностью запущу студию, я смогу сделать что-нибудь получше или просто использовать консольные усилители для наушников. 
 К сожалению, для восстановления моей консоли мне также придется немного подождать.
гираф
Известный участник
- #4
 
Ааа — тогда я понял..
Джейкоб Э.
Майкл Тайбс
Известный член
- #5
 
Я купил этот усилитель в Китае несколько лет назад и был очень удивлен тем, насколько он звучит лучше, чем Behringer Powerplay Pro, который я часто использовал для миксов: JHL HOOD 1969 Class A, усилитель для наушников с малым усилителем – http ://www.ebay.de/itm/2521
318?_trksid=p2060353.m1438.l2649&ssPageName=STRK%3AMEBIDX%3AITЭти заполненные печатные платы продаются несколькими дилерами на ebay, и, если я правильно помню, некоторые предложения для них также.

 Если вы ищете систему мониторинга наушников, сателлиты Behringer Powerplay 16, на мой вкус, потрясающе хороши. 
 я их питаю по цифре, так что за качество входных преобразователей (которые наверное тоже хороши, но может и не так хороши как мои любимые Апогеи) можно не волноваться.
Майкл
Джон Робертс
Известный член
- #6
 
Некоторые современные операционные усилители с очень высокими характеристиками могут напрямую воздействовать на сопротивление 800 Ом. Зачем делать это сложнее, чем это должно быть?
JR
выстрел
Известный член
- #7
 
 Я также собрал усилитель для наушников JLH, и он просто фантастический. 
 Но ходят слухи, что усилители для наушников Zen тоже курят! 
 Еще не пробовал.
 Для обеих этих моделей вы можете найти подходящие корпуса или даже полностью собранные на ebay. 
 Лучшее соотношение цены и качества IMO!
Лука
лн76д
Известный член
- #8
 
Спасибо, ребята!
Не ожидал, что эта тема переместится больше, чем максимум на два поста
 Капюшон выглядит действительно хорошо, но я думаю, что идея Джона Робертса лучше подойдет для моих нужд.
 
 Мне не нужны действительно качественные усилители для прослушивания музыки, проверки миксов и т.д. 
 Это должно быть что-то простое и лучше, чем behri behri HA400. 
 Запас усиления, работа с наушниками с высоким импедансом (по крайней мере, у меня есть два DT100, которые ровно 800 Ом), меньше искажений. 
 Пример использования — скажем, четыре участника группы, каждый в своей комнате для записи. 
 Каждый должен слышать то, что он хочет, на своем канале, без искажений при повороте ручки в верхнее положение. 
 Да — ручка! Это самое важное. Я не хочу каждый раз слышать «сделай погромче», «слишком громко», «сделай потише» 
 Вот и все 
 Есть идеи?
выстрел
Известный член
- #9
 
 У моего друга Topping NX3. Он получил его с ebay. 
 Это что-то китайское. 
 Выглядит круто. Звучит достойно. 
 Я вижу, что есть модель NX5. Я не знаю его особенностей. 
 Зато дешево!
лн76д
Известный член
- #10
 
Спасибо!
 Это может быть что-то, возможно, я попробую один 
 Это до 300 Ом, поэтому мне нужно еще что-то для наушников с более высоким импедансом
рикардо
Известный член
- #11
 
http://nwavguy.blogspot.com.au/2011/07/o2-headphone-amp.html
гираф
Известный участник
- #12
 
ln76d сказал:
Это до 300 Ом, поэтому мне нужно что-то большее для наушников с более высоким импедансом
Нажмите, чтобы развернуть…
 Всегда можно погонять наушники с более высоким импедансом — единственный недостаток — немного снижается максимальная мощность при заданном напряжении питания.
По моему опыту, только барабанщикам нужен усилитель с питанием более +/-18 В для телефонов с сопротивлением 600 Ом. Но так как эти ребята редко бывают придирчивыми, вы все равно передаете им низкоимпедансные, высокочувствительные, полностью закрытые наушники..
Jakob E.
Ярно
Известный участник
- №13
 
Рикардо сказал:
http://nwavguy.blogspot.com.au/2011/07/o2-headphone-amp.html
Нажмите, чтобы развернуть…
 Ах, одна из легенд DIY-аудио появилась из ничего, спроектировала это и участвовала в разработке некоторых других продуктов, прежде чем снова исчезнуть.
 ….
рикардо
Известный участник
- №14
 
http://nwavguy.blogspot.com.au/2011/07/o2-headphone-amp.html
Нажмите, чтобы развернуть…
Ярно сказал:
Ах, одна из легенд DIY-аудио, появилась из ничего, спроектировала это и участвовала в разработке некоторых других продуктов, прежде чем снова исчезнуть…..
Нажмите, чтобы развернуть…
 Многословно, многословно… но  авторитетен и сильно отличается от OPA  от Self & Cordell.
Он показывает 2x NJM4556 параллельно как повторитель напряжения трудно, если не невозможно неисправность. Я считаю, что 1 выход тоже довольно хорош, и даже 1 выход с небольшим усилением … как используется в большинстве полупрофессиональных (и профессиональных) разъемов для наушников.
Обратите внимание на его акцент на компоновке/заземлении/развязке… все это жизненно важно для хорошей производительности и неправильно понято большинством.
Моей первой мыслью было найти дешевый двухкаскадный специальный eBay и заменить OPA по его рекомендациям… но по паре фото не скажешь хорошую компоновку/заземление/развязку.
Однако у него есть пара «рекомендованных» коммерческих усилителей.
Искатель
Известный член
- №15
 
Итак, я знаю, что это не то, о чем вы просили, но это DIY! ;D …и Уэйн Кирквуд — супер классный парень, + вы не превзойдете его, он примерно такого же эталонного качества, как и вы, очень нейтрален и способен управлять практически любым автомобилем в пределах разумного… К тому же, это не очень дорогая сборка, особенно если у вас есть какие-то вещи, такие как кейс, силовой трансформатор и т. д.
http://www.ka-electronics.com/kaelectronics/Dual_Class-A/Dual_Class-A.htm
лн76д
Известный член
- №16
 
 Спасибо, ребята.
 Все эти предложения великолепны, даже если некоторые из них не соответствуют моим текущим потребностям. В ближайшее время обязательно буду искать что-то получше, так что однозначно стоит поделиться 
 Также я думаю, что этот поток будет полезен для других участников, на gdiy не так много информации об усилителях для наушников, по крайней мере, с некоторого времени
Бо Смертоносный
Известный член
- # 17
 
Найдите TPA6120A2 на Ebay.
 На самом деле это линейный драйвер модема DSL (также известный как THS6012), который может подавать 400 мА на 25 Ом на частоте 140 МГц со скоростью нарастания 1300 В/нас.
 Так что он должен быть в состоянии управлять некоторыми телефонами!
На самом деле он достаточно мощный, чтобы можно было просто подключить 4+ разъема параллельно.
Хотя у меня нет опыта работы с Ebay с этим чипом. На самом деле, из-за того, что чип такой быстрый, если компоновка не совсем правильная, он может быть нестабильным. И он должен управляться из источника с низким смещением, что означает гибридный буфер. Так что будьте осторожны со всем, что выглядит слишком дешево. Это должно быть сделано правильно, иначе не будет иметь значения, насколько хорош чип. Если вы покупаете что-то на Ebay, сначала проверьте смещения с фиктивной нагрузкой.
Джон Робертс
Известный член
- # 18
 
Squarewave сказал:
Найдите TPA6120A2 на Ebay.
На самом деле это линейный драйвер модема DSL (также известный как THS6012), который может подавать 400 мА на 25 Ом на частоте 140 МГц со скоростью нарастания 1300 В/нас. Так что он должен быть в состоянии управлять некоторыми телефонами!
Нажмите, чтобы развернуть…
ОП уже поделился, что у него есть наушники на 800 Ом.
25 Ом меньше Z, чем необходимо, а 1300 В/мкс примерно в 100 раз быстрее скорости нарастания, чем необходимо для звука.
Больше не всегда лучше.
 JR 
На самом деле он достаточно мощный, чтобы вы могли просто подключить 4+ разъема параллельно.
Хотя у меня нет опыта работы с Ebay с этим чипом. На самом деле, из-за того, что чип такой быстрый, если компоновка не совсем правильная, он может быть нестабильным. И он должен управляться из источника с низким смещением, что означает гибридный буфер.
Так что будьте осторожны со всем, что выглядит слишком дешево. Это должно быть сделано правильно, иначе не будет иметь значения, насколько хорош чип. Если вы покупаете что-то на Ebay, сначала проверьте смещения с фиктивной нагрузкой.
Нажмите, чтобы развернуть…
лн76д
Известный член
- # 19
 
Рикардо сказал:
Длинный, многословный … но авторитетный и освежающе отличающийся от OPA от Self & Cordell.
Он показывает 2x NJM4556 параллельно как повторитель напряжения трудно, если не невозможно неисправность.
Я считаю, что 1 выход тоже довольно хорош, и даже 1 выход с небольшим усилением … как используется в большинстве полупрофессиональных (и профессиональных) разъемов для наушников.
Обратите внимание на его упор на компоновку/заземление/развязку… все это ЖИЗНЕННО для хорошей производительности и неправильно понято большинством.
Моей первой мыслью было найти дешевый двухкаскадный специальный eBay и заменить OPA по его рекомендациям… но по паре фото не скажешь хорошую компоновку/заземление/развязку.
Хотя у него есть пара «рекомендованных» коммерческих усилителей.
Нажмите, чтобы развернуть…
 Хм… читаю медленно http://nwavguy.blogspot.com.au и, наверное, закончу четырьмя амперами o2 
 Цена на платы и корпуса довольно приятная. Комплект не нужен, так как запчасти легко купить на месте. 
 Легко для быстрой сборки 
 Как всегда спасибо Рикардо
алекск
Известный член
- #20
 
Я только что закончил делать усилитель для наушников из комплекта ebuy…. около 15 долларов США за плату и компоненты (включая доставку!)
Это схема John Linsley-Hood класса A, использующая 2 маломощных сигнальных транзистора и пару выходных транзисторов (которые установлены на нижней стороне печатной платы).
Имеет коэффициент усиления x8, стереопотенциометр на входе, несбалансированные входы rca и выходной стереогнездо trs.
Я работаю (пока) с Vcc +9.7Vdc — выходные транзисторы нагреваются *сильно* без радиаторов — я использую простые угловые кронштейны для радиаторов.
В ЛЮБОМ случае, кроме кучи SMD в виде резисторов, размером с крупинку болтовни, все получилось хорошо.
Коэффициент нелинейных искажений составляет около 0,001 % при езде на моем Motu (10 000 входов, более или менее)
 ПРИМЕЧАНИЕ. Дальнейшие тесты при «нормальном уровне прослушивания» с последующим переключением на нагрузку 10 000 действительно показывают, что коэффициент нелинейных искажений 0,001 % увеличивается примерно до 0,1.
 % для выхода 8Vpp (от источника питания +9Vdc)    [просто быстрый тест, так что не окончательный .. пока]
Учитывая, что в нем всего 4 активных устройства и используется относительно низкое напряжение питания, это довольно хорошо Производительность THD, хотя и на дурацком уровне мощности, потраченной впустую в виде тепла!
Я подожду версию с надлежащим радиатором, прежде чем увеличивать Vcc до +15Vdc и выше !
…..
Итак, я провожу дополнительные тесты, управляя различными нагрузками, вплоть до 60 Ом (наушники!), чтобы получить больше информации об этом аккуратном маленьком звере.
Но пока выглядит хорошо, звучит неплохо в наушниках … ну сильно, *вполне* hifi и очень сбалансировано по АЧХ (т.е. не шипучий фиш и с нормальным басом).
Для использования в качестве линейного стереоусилителя (на 300 Ом и выше) работает хорошо.
———
Субъективно, как «новорожденный ламповый парень», я *удивлен*, что звук доставляет мне такое волнение, за такое небольшое количество времени и денег Да, здесь задействованы тепло и энергия , но для лампового парня, который делал большие усилители SE, это не такая уж большая проблема!
 Я  с нетерпением жду  возни со схемой JLH (1969), моды от самого конструктора (с 1996) и последующий комментарий (около 2000+).
Я надеюсь, что JLH 1996 со среднеквадратичной мощностью 10 Вт на канал будет хорошим дополнением к некоторым «реалистичным» двухполосным динамикам конца 70-х годов с бумажным диффузором из натурального дерева (Radio Shack для жителей США!)
—- —
Одна и та же конструкция масштабируется до любого уровня мощности класса А, который вы можете охлаждать! У уважаемого JLHood есть много информации о его версии 10 Вт плюс. Я видел, как он потреблял до 25 Вт (среднеквадратичное значение) при нагрузке на динамики 8 Ом.
Эту же компактную печатную плату я использую в качестве драйвера стереошины с некоторыми высокопроизводительными траффиками для балансировки выхода.
Вход стереофонических несбалансированных шин микширования.
СУПЕР дешево и чертовски хорошо работает, чтобы перепутать кучу педалей и тому подобное ..
Усилитель для наушников класса А от Кевина Гилмора
Меню
- Введение
 - Описание схемы
 - Оригинальная принципиальная схема
 - Принципиальная схема Dynalo
 - Схемы блока питания
 - Сборка
 - Оригинальный вид компонентов усилителя
 - Вид компонентов усилителя Dynalo
 - Вид компонента блока питания
 - Оригинальная плата усилителя
 - Печатная плата усилителя Dynalo
 - Плата питания
 - Первое включение
 - Проводка шасси
 - Фото
 - Запчасти
 - Ссылки
 - Конец
 - Обновления
 
 За много лет я нашел конструкцию практически идеального усилителя для наушников.
 в чистом классе А. Раньше я его тоже строил и оживлял, но не
установить его в корпус. Сейчас я их нашел и постараюсь описать свои
опыт работы с ним. Усилитель был разработан  Кевин Гилмор  и его
конструкция была опубликована в этой статье:  Динамический усилитель для наушников Pure Class A.
Конструкция существует в Интернете во многих вариантах с более или менее изменениями.
Спроектировал печатную плату для одного канала в исходном варианте и следующей модифицированной версии.
известен под названием  Dynalo . Затем я разработал схему и печатную плату из простых
источник питания.
Описание цепи
 Входной каскад создан на транзисторах Q1-Q4 и является полностью симметричным и создает
смещения для второго каскада и гарантировать, что выходной каскад всегда будет в классе A.
Ток холостого хода отдельного транзистора составляет 1 мА. Для входного каскада используются сдвоенные
малошумящие полевые транзисторы JFET, специально разработанные для аудио, но сегодня не производимые
и купить их практически невозможно.
 Коэффициент усиления по напряжению входного каскада равен 50.
LED1, Q11 и LED2, Q5 являются точным источником тока для входных транзисторов.
Драйверный каскад собран на транзисторах Q12 и Q6 и имеет коэффициент усиления по напряжению 0,5. и ток холостого хода 4,3 мА. Он построен как усилитель напряжения.
Выходной каскад представляет собой симметричную четверку параллельно соединенных эмиттерных повторителей. Q7-Q10 и Q13-Q16. Он имеет коэффициент усиления 0,9 и ток холостого хода около 15 мА на транзистор. с питанием +/- 16В. Это делает транзисторы относительно горячими, но не слишком сильно на необходимость радиатора.
 Благодаря симметричной конструкции усилитель не нуждается на входе и в
выходной разделительный конденсатор, который может снизить качество звука.
Пока сопоставляем компоненты, которые еще могут присутствовать на выходе
малое постоянное напряжение. В схеме используется сервопривод постоянного тока, который может сдвигать выходное напряжение
до нуля при малом изменении тока входных транзисторов.
 Сервопривод является интегратором. Благодаря относительно большой емкости C1 и
резистор R29частота фильтра около 0,05 Гц. С хорошей операционной
усилитель у него шум незначителен. Операционный усилитель измеряет напряжение постоянного тока
на выходе, интегрируйте его и примените к средней точке светодиодов.
С учетом изменения тока на светодиоде меняется его напряжение
только немного максимально около 3-4% чего достаточно для работы сервопривода.
Конечно, мы должны иметь согласованные транзисторы, потому что диапазон управления сервоприводом
составляет всего около 10%.
Небольшое постоянное напряжение не является проблемой для наушников с высоким импедансом. Но если у нас будет постоянное напряжение на низкоомных наушниках, например Grados уже давно, что мы можем изменить их звучание или уничтожить их.
 Отличие Dynalo от оригинальной схемы заключается в добавлении подстроечных резисторов R30 и R31.
для тонкой настройки тока холостого хода. Также добавлены диоды D1 и D2 для
термокомпенсация тока холостого хода выходных транзисторов.
 С диодами
мы должны использовать другое значение R15. Также был добавлен небольшой конденсатор С6
для компенсации обратной связи.
Для питания необходим трансформатор с двумя вторичными обмотками 15-16В. Опишу только положительную ветвь, потому что отрицательная одинакова. Напряжение от трансформатора поступает на мостовой выпрямитель В1 и далее к конденсатору С1. После фильтрующей катушки L1 стоит фильтрующий конденсатор С3. Далее регулятор напряжения LM317 в типовом подключении. Выходное напряжение регулируется комбинацией R1 и R3 до значения около 15 вольт. Конденсатор С9необходим для стабильности регулятора, а C5 улучшает шум параметры. D1 — защитный диод для разряда C5. Далее идет развязка конденсатор С11 и малый фильтрующий конденсатор С7. На выходе напряжение подключен светодиод D3 через R5, который указывает на наличие напряжения.
Оригинальная принципиальная схема
- Формат Eagle 5
 - Формат PDF
 
Принципиальная схема Dynalo
- Формат Eagle 5
 - Формат PDF
 
Схемы блока питания
- Формат Eagle 5
 - Формат PDF
 
Сборка
Одноканальная плата
 Начнем со сборки всех резисторов.
 Цепь имеет решающее значение для точности
деталей, особенно вокруг входного транзисторного каскада JFET, которые мы будем использовать точные
резисторы. Мы можем купить их больше, а затем выбрать более точные.
Далее продолжаем сборку Q5 и Q11, которые должны иметь почти одинаковые
h31e. Затем мы собираем LED1 и LED2, которые могли бы иметь одинаковое напряжение, если бы
возможно. Мы можем купить их больше и выбрать из них. Далее собираем другие
биполярные транзисторы с Q6 по Q10 и с Q12 по Q16. Мы снова попробуем выбрать
транзисторы с аналогичными параметрами. Если мы создаем версию Dynalo, которая
собираем диоды D1 и D2, которые можно было бы идеально термически соединить с
выходные транзисторы через небольшой радиатор. Мы также собираем триммеры R30 и R31.
Сначала мы должны повернуть их в положение с максимальным сопротивлением!
Вторую группу согласованных деталей мы будем использовать для второй платы канала.
Далее собираем транзисторы JFET. Идеально сдвоенные типы 2SJ109БЛ и 2SK389BL.
 Нашел только 2SJ74BL и 2SK170BL. BS маркирует классификацию Idss от 6 до 12 мА.
Мы должны уделять большое внимание ориентации транзистора, потому что печатная плата была
в первую очередь предназначен для двойных транзисторов. Фотография может помочь.
Дальше собираем конденсаторы а вот операционный усилитель  не собираем  .
Подождем с ними на первом включении и настройке.
Ту же процедуру мы применим на второй плате.
Плата питания
Эту плату мы будем собирать от мелких компонентов к более крупным. Специально мы подберем резисторы R1, R2 и R3, R4 для точной регулировки выходной мощности напряжения. В идеале источник питания должен быть идеально симметричным. На место L1 и L2 также можно поставить резистор мощностью 2 Вт с небольшим сопротивлением. около 1 Ом. После сборки подключим плату питания к трансформатора и если все правильно то загорятся светодиоды D3 и D4 а на выходе будет напряжение около +/- 15В. Я измерил 15,33В.
Внешний вид компонентов оригинального усилителя
Вид компонентов усилителя Dynalo
Вид компонента блока питания
Оригинальная плата усилителя
 Печатные платы односторонние с широкими дорожками и возможно
создавать их в любительских условиях.
 Я заказал их в небольшой местной компании
Кохут Спой.
- Формат Eagle 5
 - Формат PDF
 
Плата усилителя Dynalo
- Формат Eagle 6
 - Формат PDF
 
Печатная плата блока питания
- Формат Eagle5
 - Формат PDF
 
1-е включение и регулировка
Если вы убедились, что блок питания дает правильное напряжение, подключите усилитель вход на землю или поверните подключенный потенциометр в левое положение и подключите один канал к источнику питания.
Теперь проверим мультиметром несколько точек, которые мы увидим, все ли работает. Правильно. На R9и R10 должен иметь напряжение около 1 В, что означает ток 2 мА. из текущего источника. Я измерил от 1,048 до 1,05 вольта. Если напряжение меньше 0,85 В или больше 1,15 В, что-то не так. Возможно, можно использовать светодиод с другим напряжением, чем 1,6В.
 На резисторе R15 мы смогли измерить чуть более 2 вольт, что означает холостой ход.
 ток 4мА усилителя напряжения. Я измерил 2,035 В. С вариантом Dynalo
будем иметь на резисторе R15 номиналом 215 Ом напряжение около 0,86В.
На резисторах с R18 по R25 мы можем измерить напряжение около 0,37 В, что означает ток холостого хода 15 мА на транзистор в выходном каскаде. Если напряжение меньше чем 0,32 В или больше 0,44 В, что-то не так. я измерил после напряжение прогрева около 0,39В. Версия Dynalo может лучше стабилизировать ток холостого хода в выходных транзисторах с тепловой обратной связью через диоды D1 и D2. Потеря мощности составляет около 240 мВт на каждый выходной транзистор.
 Если все выглядит нормально, теперь мы можем измерить постоянное напряжение на выходе.
Если бы мы точно сопоставили части, которые мы могли бы измерить в диапазоне от -50 мВ до +50 мВ
на выходе усилителя. Если у нас есть версия Dynalo, которую мы попробуем
для уменьшения смещения постоянного тока с помощью подстроечных резисторов R30 и R31. Их можно было обратить в
положение с максимальным сопротивлением.
 Начинаем поворачиваться с одного из них и
при увеличении смещения то мы поворачиваем их назад и начинаем поворот со второго
пока смещение не будет ниже 5 мВ. Если нам не нравятся триммеры, которые мы можем измерить
сопротивление комбинации R9на R30 и R10 на R31 и заменить их на
постоянные резисторы с измеренным значением.
Когда мы успешно минимизируем смещение постоянного напряжения на выходах, мы можем Теперь припаяйте операционный усилитель IC1, который работает как сервопривод постоянного тока. Если сервопривод работает правильно, это будет видно на выходе усилителя. Смещение медленно уменьшается и перемещается вокруг нуля максимально +/- 2 мВ и идеально +/-1мВ. Очень важно, чтобы смещение постоянного тока было сведено к минимуму до того, как сборка сервопривода, потому что у сервопривода очень маленький диапазон регулирования и со слишком большим смещением не получится. В версии Dynalo мы можем после холодного запуска быстро настроить смещение с помощью триммера.
Проводка шасси
 Лучше всего встроить усилитель в металлическое шасси.
 На фотографиях
рассматривается установка в алюминиевом ящике Hammond. Это важно
располагать питающий трансформатор и провода вдали от проводов аудиовхода. Хорошая идея
использовать тороидальный трансформатор с меньшим излучением магнитного поля.
Также мы должны остерегаться контуров заземления. Заземление с обеих плат и с
выходной разъем идет к центральной точке на плате питания.
Земля от входных разъемов идет к потенциометру и далее
непосредственно на платах усилителя. Рекомендуется использовать экранированный провод.
для входного сигнала. В качестве альтернативы можно подключить землю от входа
к центральной точке заземления и не подключать его к платам.
Мы разместим потенциометр рядом с входами и для соединения с ручкой.
на передней панели мы будем использовать удлинитель. На регуляторах напряжения будем
прикрутить маленькие радиаторы. Если у нас есть корпус большего размера, мы можем использовать сетевой фильтр.
и предохранитель на вводе от шнура питания. Видно, как шасси подключено
с картинки.
- Формат Eagle6
 - Формат PDF
 
Фотографии
Плата усилителя Плата питания Комплектный усилитель фото © Martin Saidl Открытый усилитель фото © Martin Saidl Вид спереди сбоку фото © Martin Saidl
Запчасти
 Еще труднее найти транзисторы JFET. Некоторые магазины предлагают транзистор
сервис сопоставления. Это хорошая идея, чтобы купить по крайней мере 1% резисторы.
Мы можем купить большее количество других транзисторов, потому что они дешевы.
Сопоставить будет намного проще. Также мы можем купить больше светодиодов. Мы выбираем
на самом деле только КРАСНЫЕ светодиоды одного типа с напряжением 1,6 В. Для потенциометра
мы можем использовать, например, логарифмический тип 10k серии RK27 от ALPS.
Мы никогда не должны включать усилитель без потенциометра или резистора на входе.
Наушники можно уничтожить. Трансформатор лучше всего тороидальный или плоский.
с ядром CI. Если мы используем трансформатор во внешней коробке или будем использовать больший
шасси с большим пространством, которое мы можем использовать, а также более дешевый трансформатор с сердечником EI.
 Другие компоненты легко доступны в местном магазине.
| name | value and type | quantity for two boards | |||
|---|---|---|---|---|---|
| R1-R4 | 200R 1% | 8x | |||
| R5-R8 | 5k 1% | 8x | |||
| R9, R10 | 500R 1% | 4x | |||
| R11, R12 | 7k5 1% | 4x | |||
| R13, R14, R26 | 1k 1% | 6x | |||
| R15 | 215R 1% | 2x | |||
| R16, R17 | 3k3 1% | 4x | |||
| R18-R25 | 25R 1% | 16x | |||
| R27 | 10k 1% | 2x | |||
| R28 | 15k 1% | 2x | |||
| R29 | 1M 1% | 2x | |||
| R30, R31 | 100k trimmer type 64W (only DYNALO) | 4x | |||
| C1 | 330NF/63V FOIL RM5 | 2X | |||
| C2, C3 | 100UF/25V Electrytic Low ESR 105 ° C3 | 100UF/25V Electrytic Low ESR 105 ° C3 |  100UF/25 В.![]()  | 100nF/63V foil RM5 | 4x | 
| C6 | 10pF ceramic RM5 | 2x | |||
| D1, D2 | 1N4148 | 4x | |||
| IC1 | TL071P DIL8 | 2x | |||
| LED1, LED2 | RED LED 1.6V 5mm | 4x | |||
| Q1, Q2 | 2x 2SJ74BL (1x 2SJ109BL) | 4x (2x) | |||
| Q3, Q4 | 2x 2SK170BL (1x 2SK389BL) | 4x (2x) | |||
| Q5-Q10 | 2SC1815 | 12x | |||
| Q11-Q16 | 2SA1015 | 12x | |||
| X1 | Molex 3pin | 2x | 
| name | value and type | quantity | 
|---|---|---|
| B1, B2 | Bridge rectifier 1.5A/100V | 2x | 
| C1-C4 |  2200uF/25V electrolytic low ESR 105°C RM7.  5 | 4x | 
| C5, C6 | 10 мкФ/63 В электролитический, низкое ESR 105°C RM2,5 | 2x | 
| C7, C7 9 | 100uF/25V electrolytic low ESR 105°C RM3.5 | 2x | 
| C9-C12 | 100nF/63V foil RM5 | 4x | 
| D1, D2 | 1N4004 | 2x | 
| D3, D4 | LED green 2mA | 2x | 
| F1, F2 | Radial PCB fuse T500mA | 2x | 
| IC1, IC2 | LM317 TO220 package + small heatsink | 2x | 
| L1, L2 | 45uH axial 500mA | 2x | 
| R1, R2 | 2k7 1% | 2x | 
| R3, R4 | 240 1% | 2x | 
| R5, R6 | 4k7 | 2x | 
| X1, X2 | molex 3pin | 2x | 
| X3, X4 | Terminal AK300/2 | 2x | 
| TR1 | Transformer 230V/2x15V 2x8VA | 1x | 
Ссылки
-  http://headwize.
 com/?page_id=79
Оригинал статьи автора про усилитель - http://www.djgardner.com/headphone/gilmore/ Страница с инструкциями по сборке и другими вариантами усилителя
 - http://www.amb.org/shop/ Магазин с транзисторами JFET
 - Локальная копия спецификации 2SJ109
 - Локальная копия таблицы данных 2SK389
 - Локальная копия спецификации 2SJ74
 - Локальная копия таблицы данных 2SK170
 - http://www.bdent.com Магазин с транзисторами JFET
 - http://www.fetaudio.com/store Магазин с транзисторами JFET
 - http://www.linearsystems.com/ Производитель нескольких замен JFET
 - http://www.farnell.com Магазин электронных компонентов
 - http://www.soselectronic.cz Чешский магазин с коробками HAMMOND и потенциометрами ALPS
 - http://shop.fkt.cz Чешский магазин с трансформаторами TALEMA
 
Конец
 Этот усилитель для наушников класса А имеет отличный звук и достаточную выходную мощность.
почти для всех наушников.
 Конструкция относительно проста, но очень сложна
согласование и регулировка компонентов. Самая большая проблема — доступность JFET
транзисторы. Усилитель был успешно построен во многих частях и вариантах.
Обновления
—
Усилитель для наушников и предусилитель — в чем разница? (Объяснение!) – Stampsound.com
Усилители для наушников и предусилители – это термины, которые часто объединяют и могут сбить с толку музыкантов и инженеров по звукозаписи. На самом деле эти устройства выполняют как полезные, так и индивидуальные функции.
Усилитель для наушников и предусилитель — в чем разница?
Предусилители используются для трех основных целей: выбора источника звука, управления динамикой и добавления усиления. С другой стороны, усилитель для наушников специально разработан для питания наушников. По сути, это регуляторы громкости.
 Это основные различия между ними, но при более внимательном рассмотрении становится очевидным, что усилители и предусилители для наушников различаются по многим другим параметрам.
Их требования к питанию, совместимость и эффект, который они оказывают на окраску тона, являются некоторыми из явных отличий. Прочитав это подробное руководство, вы точно будете знать, для каких целей лучше всего подходят оба устройства и чем они отличаются друг от друга.
Основные различия между усилителями для наушников и предусилителями
Чтобы понять разницу между усилителями для наушников и предусилителями, мы должны сначала рассмотреть их назначение. Усилители для наушников используются специально для усиления сигнала источника звука, чтобы сделать его идеально подходящим для воспроизведения через пару наушников.
 Предусилители более сложные. Предварительные усилители  в основном используются для выбора определенного источника звука с помощью встроенных элементов управления и значительного усиления звукового сигнала, чтобы он был совместим с усилителем мощности или микшерным контроллером. 9Предусилители 2003 также предлагают множество настраиваемых параметров для настройки характеристик звука.
Если говорить с технической точки зрения, предусилители и усилители для наушников сильно различаются по потребляемой мощности и нагрузке, которую они могут выдерживать.
Обычно выходы предусилителя требуются для управления нагрузкой с гораздо более высоким импедансом, чем усилители для наушников, поскольку они используются с более мощными устройствами, такими как мониторы, микшерные пульты и интерфейсы.
В таблице ниже приведены примеры различий в требованиях к питанию между усилителями для наушников и предусилителями.
| Усилитель для наушников | Предусилитель | 
| · Нагрузка привода 30–50 Ом | · Нагрузка привода 10–47 кОм | 
| · Уровень напряжения 0,5–4 В RMS | · Уровень напряжения около 1 В RMS | 
| · Требуется мощный выходной каскад | · Относительно легкая электрическая нагрузка | 
| · Только для регулятора громкости | · Включает регуляторы громкости и усиления | 
 Как видно из этой таблицы, существуют значительные различия в том, как работают усилители для наушников и предусилители.
В основном это связано с устройствами, с которыми обычно используются предусилители, которые требуют определенной силы импеданса. Электронные требования к усилителям для наушников могут различаться в зависимости от типа наушников, с которыми они используются, но в большинстве случаев эти цифры точны.
Оба эти устройства в основном используются для управления уровнем громкости. Когда музыкант записывает в наушниках, очень важно, чтобы уровни были установлены на оптимальный уровень в зависимости от их предпочтений. Обычно усилители для наушников позволяют музыканту настраивать динамику своего инструмента или фоновой дорожки.
Предусилители делают еще один шаг вперед и позволяют вам фактически выбирать из нескольких источников звука.
 Каждый источник звука можно отрегулировать с помощью регуляторов громкости, а некоторые предусилители также обеспечивают возможность добавления усиления. Поступая таким образом, они могут изменить окраску инструмента или других источников звука в соответствии со своими предпочтениями.
Я написал статью, в которой обсуждаются дорогие наушники и стоят ли они своих денег. Вы можете прочитать это здесь.
Для чего используется усилитель для наушников?
В следующем разделе мы более подробно рассмотрим усилители для наушников и их назначение.
Усилитель для наушников работает в сочетании с ЦАП (цифровой аудиопреобразователь). Эти устройства отвечают за преобразование сигнала, создаваемого источником звука, в аналоговый, чтобы его можно было принять наушниками. Вот яркий пример надежного усилителя для наушников.
Например, если вы подключите наушники непосредственно к телефону или компьютеру, а затем воспроизведете аудиофайл, сигнал будет отправлен в цифровом виде в виде нулей и единиц. Затем ЦАП преобразует это в аналоговый формат, который могут воспроизводить наушники.
Итак, какое место в уравнении занимают усилители для наушников?
 Ну, сам по себе ЦАП недостаточно усиливает выходной сигнал, чтобы его могли принять наушники.
 Он нуждается в дополнительном усилении, которое обеспечивает усилитель для наушников.
На этом этапе легко понять, почему люди часто путают усилители для наушников с предусилителями, поскольку усилитель для наушников технически усиливает сигнал перед его отправкой на выходное устройство.
Ознакомьтесь с моей статьей о предусилителях для наушников здесь
Сочетание усилителей для наушников и ЦАП
Основное различие между предусилителем и усилителем для наушников становится очевидным, когда мы рассматриваем звуковую карту компьютера или ноутбука. В большинстве случаев звуковые карты сочетают в себе усилитель для наушников и ЦАП, поэтому вы можете подключиться напрямую и мгновенно прослушать аудиофайл.
 Почти все производимые сегодня компьютеры будут иметь на борту комбинацию усилителей для наушников и ЦАП. Они могут облегчить порты для наушников или выделенные выходы, особенно для динамиков, но независимо от среды, через которую вы слушаете звук, почти наверняка будут использоваться усилитель для наушников и DAW.
В некоторых случаях может потребоваться использование внешних автономных ЦАП. Однако само по себе это не обеспечит достаточного усиления сигнала для его воспроизведения через наушники, поэтому также потребуется усилитель для наушников.
Для начала отличной звуковой картой является Focusrite Scarlett Solo.
Оцените этот популярный аудиоинтерфейс здесь, на Amazon.
Для чего используется предусилитель?
Мы определились с назначением усилителя для наушников, теперь пришло время сравнить его с предусилителем. Это видео очень хорошо объясняет основы предусилителя.
Предусилители играют ключевую роль в любом живом звуке или записи.
-   Эти устройства в основном формируют звуковые характеристики конкретного сигнала, усиливают его, очищают и придают ему четкость перед тем, как сигнал будет усилен и выведен через динамики, мониторы или любое другое звуковое оборудование.
  
Звучит довольно просто, не правда ли? На самом деле предусилители — довольно сложные устройства. Они не только выполняют функцию подготовки звука для проецирования через выход, но также предлагают параметры, которые можно использовать для настройки тональных и динамических характеристик звуков.
Это подводит нас к следующему пункту обсуждения. Если все предусилители выполняют одну и ту же основную функцию усиления сигнала, чтобы подготовить его для динамиков или мониторов, есть ли разница между множеством предусилителей, доступных на рынке?
Ответ на этот вопрос – да. Хотя это правда, что роль предусилителей остается неизменной, независимо от того, какой из них вы выберете, есть большая разница в цвете, который они добавляют к звуку.
 Когда я использую термин «цвет», я имею в виду   эффект   предусилитель влияет на тембр и тональность аудиосигнала, который они усиливают. Точно так же, как гитарная педаль эффектов добавляет цвет к чистому гитарному сигналу, предусилители также используются для добавления цвета к сухому звуковому сигналу.
Это хороший пример предусилителя, который добавляет к сигналу естественный цвет .
Здесь становится очевидной основная разница между предусилителями и усилителями для наушников. Усилители для наушников иногда предлагают регулятор громкости, но они не добавляют окраски исходному звуку. Они чисто привыкли к усиливают сигнал и взаимодействуют с ЦАП, чтобы сделать его слышимым в наушниках, тогда как предусилители, как мы обсуждали, способны не только изменять динамику, но и общий звук.
Я написал статью о предусилителях и интегральных усилителях. Вы можете найти это здесь.
Характеристики усилителя для наушников
 В отличие от предусилителей, усилители для наушников оцениваются по выходному напряжению, которое они способны производить. Предусилители, с другой стороны, оцениваются на основе их мощности путем преобразования ватт в 8 Ом. Отчасти это сделано для удобства, а также из-за того, что усилители для наушников не так зависят от импеданса реальных наушников, в то время как предусилители зависят от импеданса динамика, мониторов или микшерного пульта.![]()
Другое заметное различие между ними заключается в том, что усилители для наушников имеют максимальный предел тока, который они могут производить. Это атрибут, который указывает, какую мощность усилители для наушников могут выдать непосредственно на нагрузку с низким импедансом, например около 50 Ом или меньше.
Усилители для наушников часто ограничены максимальным током, который они способны выдавать до появления искажений. Искажение обычно используется с усилителями для наушников, которые выходят за свои динамические пределы. Это приводит к тому, что звук становится насыщенным и неприятным для слуха.
Важно помнить, что слишком сильное усиление при использовании наушников может привести к повреждению слуха. Это более очевидно, чем с предусилителями, потому что наушники расположены ближе к уху, а громкость менее интенсивна, потому что вы физически не чувствуете вибрации звука, как в мощной акустической системе или наборе студийных мониторов.
Различные типы предусилителей
 Еще одно явное различие между усилителями для наушников и предусилителями заключается в том, что существует множество разновидностей предусилителей, дающих разные результаты.
Практически все усилители для наушников выполняют одну и ту же функцию, и единственная разница между моделями заключается в их способности и качестве усиления, которое они способны производить.
Предусилители бывают разных форм. Наиболее распространены:
- Прозрачные предусилители
 - Предусилители, добавляющие цвет
 - Ламповые предусилители
 - Цифровые предусилители
 - Твердотельные предусилители
 - Предусилители для определенных инструментов
 
В отличие от усилителей для наушников, 9Предусилители 2002 могут быть специально адаптированы для конкретных целей. Это объясняет, почему студии звукозаписи часто используют несколько предусилителей. Каждый из них используется для определенного звука, инструмента или для достижения определенного результата.
 Хотя предусилители универсальны, выбор того, который хорошо подходит для источника звука, выхода или цели записи, несомненно, даст наилучшие результаты.
 В следующем разделе я расскажу об особенностях каждого типа предусилителей и объясню, почему они хорошо подходят для этой конкретной цели.
Прозрачные предусилители
Сторонники чистоты звука, скорее всего, предпочтут прозрачные предусилители тем, которые добавляют цвет к сухому сигналу. Эти предусилители воспроизводят звук инструмента, песни, аудиофайла или вокала максимально близко к оригиналу.
Преимущество этого заключается в том, что он предоставляет больше возможностей для ретроспективной обработки. Чем чище выходной сигнал предусилителя, тем большее влияние последующие эффекты окажут на его тон.
В таких музыкальных жанрах, как джаз, классика или блюз, звукоинженер, скорее всего, будет использовать прозрачный предусилитель, потому что он хочет сохранить интимные человеческие элементы исполнения без добавления усиления или изменения тона.
 Стоит отметить, что независимо от того, насколько прозрачным должен быть предусилитель, любой путь электронного сигнала всегда будет вызывать изменение исходного звука на каком-то уровне.
Когда звук воспроизводится через динамик или наушники, он уже подвергся воздействию, поэтому невозможно воспроизвести его полностью «чисто», кроме как прочувствовать его вживую собственными ушами.
Предусилители, добавляющие цвет
Как я уже говорил, одно из основных различий между усилителями для наушников и предусилителями заключается в том, что предусилители способны изменять тон источника звука. Они делают это, воздействуя на частотную характеристику.
Предусилители, которые добавляют цвет, полезны для следующих целей:
- Улучшение звука, который звучит плоско или тонко
 - Адаптация звука к конкретным динамикам или мониторам
 - Добавление низких/средних/высоких частот к звуку
 - Улучшение переходных процессов в аудио
 
В отличие от предусилителей, усилители для наушников не изменяют тембровые или тональные аспекты источника звука заметным образом.
Ламповые предусилители
 В усилителях для наушников никогда не используются лампы, в отличие от предусилителей.
 Эти типы предусилителей иногда называют ламповыми или ламповыми предусилителями. Как и в гитарных усилителях, лампы используются для усиления аудиосигнала.
Ламповые предусилители создают отчетливо теплый тон, вызванный умеренными уровнями искажений, которые они производят. По мере увеличения уровня сигнала лампа начинает перегружаться, что приводит к насыщению. Это добавляет теплоты звуковому сигналу, делая его звучание аутентичным и винтажным.
Ламповые предусилители также влияют на гармоники источника звука.
С одной стороны, у нас есть усилители для наушников, которые предназначены для ограничения искажений и просто усиливают сигнал, не влияя на гармоники звука. Напротив, некоторые предусилители на самом деле нацелены на влияние на переходную характеристику динамиков, мониторов или других устройств вывода, к которым они подключены.
 Ламповый предусилитель создает так называемые гармоники четного порядка. Это означает, что они производят гармоники, попадающие в идеальный интервал, который усиливает основной тон.
 Это похоже на общий эффект двойного трекинга, который используется для уплотнения вокальных треков или сглаживания несоответствий высоты тона.
Цифровые предусилители
Цифровые предусилители — еще одна популярная разновидность этих полезных устройств. Они похожи по своей природе на усилители для наушников, но работают противоположным образом. Они преобразуют аудиосигнал и делают его пригодным для воспроизведения DAW, интерфейсом или динамиками.
Цифровые предусилители также очень похожи на интерфейсы. Цифровые предусилители работают путем преобразования аналогового сигнала обратно в цифровой , чтобы его можно было обработать записывающим программным обеспечением. Цифровые предусилители редко используются для усиления сигнала, чтобы отправить его на усилитель мощности или набор мониторов.
Твердотельные предусилители
 В результате достижений в области музыкальных технологий твердотельные предусилители теперь способны воспроизводить усиление без искажений, присущих цифровым предусилителям.![]()
Это чрезвычайно важная способность для записи музыки, так как она позволяет добавить к аудиосигналу больше усиления, в то время как выходной сигнал остается стабильным и не становится чрезмерно насыщенным.
Твердотельные предусилители используются в самых престижных студиях звукозаписи по всему миру. Почитаемые за первозданное качество звука и общий теплый тон, они используются для записи всего: от ударных до гитар, баса, клавишных и вокала.
Обзор различных типов предусилителей
Очевидно, что основное различие между усилителями для наушников и предусилителями заключается в том, что первый обычно используется для единственной цели — для усиления аудиосигнала, преобразования его из цифрового в аналоговый и обеспечения его слышимости в наушниках.
Предусилители, с другой стороны, могут использоваться для различных целей. В таблице ниже приведены различные типы предусилителей и их назначение:
| Тип предусилителя | Основное использование | 
| Прозрачный | · Точное воспроизведение звука | 
| Цвет | · Немного меняет тональность | 
| Трубка | · Добавляет усиление и теплую насыщенность | 
| Цифровой | · Преобразует аналоговый сигнал в цифровой | 
| Твердотельный | · Добавляет усиление без искажения | 
| Для конкретного прибора |  ·       Подходит для гитары, баса, клавишных и т.![]()  | 

 
 )
 выходная мощность 1 Вт 
 Так что будьте осторожны со всем, что выглядит слишком дешево. Это должно быть сделано правильно, иначе не будет иметь значения, насколько хорош чип. Если вы покупаете что-то на Ebay, сначала проверьте смещения с фиктивной нагрузкой.
 Я считаю, что 1 выход тоже довольно хорош, и даже 1 выход с небольшим усилением … как используется в большинстве полупрофессиональных (и профессиональных) разъемов для наушников.
 5
 com/?page_id=79
Оригинал статьи автора про усилитель
 