Мигалка своими руками на 12 вольт
Вашему вниманию представлена, наверное, самая простая, но интересная схема мигалки на светодиоде. Если у вас есть меленькая новогодняя елочка из блестящего дождика то вмонтированный в ее основание яркий светодиод в Кд который не просто горит, а еще и мигает — очень простое и красивое украшение рабочего места. Питание схемы В, может быть заменено на питание от порта USB. Предыдущая статья также была про мигалку на светодиодах , но в отличие от нее данная статья расскажет про мигалку на одном светодиоде, что никоим образом не сужает ее область применения, я бы сказал даже наоборот. Наверняка вы не однократно видели подмигивающий зеленый, красный или синий огонек, например, в автомобильной сигнализации. Теперь и у вас есть возможность собрать простейшую схему мигалки на светодиоде.
Поиск данных по Вашему запросу:
Мигалка своими руками на 12 вольт
Схемы, справочники, даташиты:
Прайс-листы, цены:
Обсуждения, статьи, мануалы:
Дождитесь окончания поиска во всех базах.
 
 По завершению появится ссылка для доступа к найденным материалам.
Содержание:
- Мигалка на светодиодах
- Как сделать мигалку на LM358 имитирующую «дыхание»
- Мигалки на светодиодах и транзисторных мультивибраторах (6 схем)
- Как сделать мигающий диод от батарейки. Как сделать мигающий светодиод своими руками
- Мигалка из крышки счетчика
- Нужна элементарная схемка типа «мигалка»
- Простые схемы мигалок на основе мигающих светодиодов для сборки своими руками
Делаем мигающий светодиод своими руками: простейшие и сложные схемы - Делаем своими руками | Красно-синяя полицейская мигалка
- Светодиодный стробоскоп своими руками
ПОСМОТРИТЕ ВИДЕО ПО ТЕМЕ: Плавное включение светодиодов на одном транзисторе. 
 
Мигалка на светодиодах
Любому автомобилисту известно, что использование устройств спец. Поэтому статья подготовлена для ознакомительных целей — обратите внимание на этот факт. Итак, чем отличается стробоскоп от мигалки? Мигалку можно собрать за 5 минут с применением обычного мультивибратора, но это будет простой мигалкой, а не стробоскопом, которые устанавливаются на машины гос.
Но к сведению зрителя — стробоскоп это просто устройство, которые вырабатывает яркие световые вспышки, так,что простую мигалку тоже можно назвать стробоскопом.
Как же собрать стробоскоп, принцип работы которого схож с мигалками, которые на полицейских машинах? Простым мультивибратором тут не обойтись, хотя наша конструкция по уровню сложности не сильно отличается от обычного мультивибратора. Нам для начала нужен одноканальный генератор импульсов, он может быть любым, можно на базе мультивибратора или что еще проще — на основе легендарного таймера  Таймер подключается как низкочастотный генератор прямоугольных импульсов, частоту этих импульсов можно будет регулировать переменным резистором.
Выходные импульсы с микросхемы поступают на вход счетчика делителя. Выходы счетчика переключаются поочередно, когда один из выходов открыт, все остальные закрыты. Схема устройства. Выходы микросхемы счетчика согласованы диодами. Три выхода подключены как один, делано это для того, чтобы получить тройную последовательность вспышек для каждого светодиода.
Поскольку планируется подключение мощных светодиодов, выход был усилен дополнительным транзистором в случае каждого выходе. Таким образом, мы можем подключить даже довольно мощные нагрузки, к примеру лампы накаливания 12 Вольт , но с учетом того, что основная мощность будет рассеиваться на транзисторах и последние будут перегреваться и довольно сильно, поэтому подобрать транзисторы с током 10 и более Ампер и установить их на теплоотвод. Диоды самые обычные — 1n маломощные кремниевые выпрямительные диоды.
Работает схема просто — таймер вырабатывает низкочастотные импульсы, которые поступают на вход счетчика. Каждый импульс будет последовательно открывать и закрывать выводы с счетчика, таким образом получаются мигания, а диодная развязка сделана для того, чтобы получить несколько миганий одного светодиода.
К примеру — один из светодиодов будет мигать три раза, затем тухнет, затем тоже самое происходит со вторым. Вторая схема работает точно по такому же принципу, только тут светодиоды подключены ко всем выходам микросхемы. Таким образом у нас получается эффект бегущей строки. Светодиоды самые обычные только не сборка , но при желании можно управлять нагрузками большой мощности, добавив выходные транзисторы в качестве усиливающего элемента, точно так, как это сделано в первой конструкции, ниже приведена схема бегущей строки.
В этой схеме точно таким же образом, как и в первой, можно регулировать частоту переключений светодиодов. Этот вариант тоже является спецсигнальным устройством, усилив выход и заменив светодиоды на сверхяркие , получим незаконный прибор, так, что советую собрать только для ознакомления, по крайней мере не использовать в машине. Печатная плата для первой схемы доступна для скачивания здесь.
Понравилась статья? Поделиться с друзьями:. Своими руками 0 Просмотров:  Всем привет.
Для автолюбителя важно не только отличное техническое состояние своего автомобиля, но и наличие хорошего,. Всё больше и больше новеньких, сверкающих заводским лаком автомобилей, выкатываются на дороги с каждым. Добавить комментарий Отменить ответ. Этот сайт использует cookie для хранения данных.
Продолжая использовать сайт, Вы даете свое согласие на работу с этими файлами.
Как сделать мигалку на LM358 имитирующую «дыхание»
Настя Спасибо за полезную и интересную статью! Гуляш — это блюдо венгерской кухни, получившее признание во многих странах мира. Филе курицы — продукт универсальный, который может выручить любую хозяюшку. Подписывайтесь на рассылку!
 Филе курицы — продукт универсальный, который может выручить любую хозяюшку. Подписывайтесь на рассылку!
Как собрать своими руками схему мигалки на LM . Схема мигалки требует напряжение питания 12 вольт для полноценной работы.
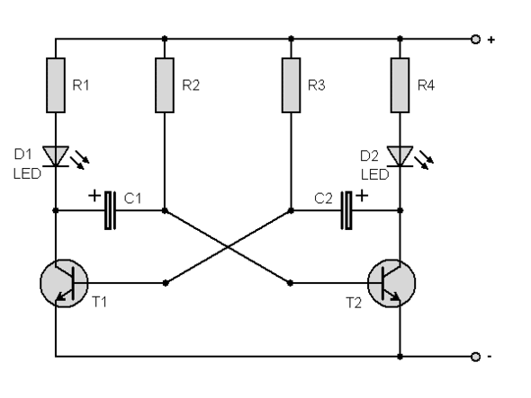
Мигалки на светодиодах и транзисторных мультивибраторах (6 схем)
Когда нужно получить 12 Вольт для светодиодной ленты, или еще для каких то целей, есть вариант сделать такой блок питания из энергосберегающей лампочки своими руками. Данный регулятор позволяет плавно регулировать переменным резистором скорость вращения вентилятора. Схема регулятора скорости напольного вентилятора вышла простейшей. Чтобы влезть в корпус от старой зарядки телефона Nokia. Туда же влезли клеммы от обычной электро розетки. Бывает проблема в недостатке освещения растений, цветов или рассады,и возникает необходимость в искусственном свете для них,и вот такой свет мы сможем обеспечить на светодиодах своими руками. Всё началось с того,что после того как я установил дома галогенные лампы на освещение. При включении которые не редко перегорали. Иногда даже 1 лампочка в день. Поэтому и решил сделать плавное включение освещения на основе регулятора яркости своими руками,и прилагаю схему регулятора яркости.
 При включении которые не редко перегорали. Иногда даже 1 лампочка в день. Поэтому и решил сделать плавное включение освещения на основе регулятора яркости своими руками,и прилагаю схему регулятора яркости.
Как сделать мигающий диод от батарейки. Как сделать мигающий светодиод своими руками
У вас есть идея насчет сайта? Вы хотите написать о своей самоделке нам? У вас должен быть включен JavaScript для просмотра. Новость должна быть уникальной.
Войти или зарегистрироваться. Искать только в заголовках Сообщения пользователя: Имена участников разделяйте запятой.
Мигалка из крышки счетчика
Интересная поделка на популярной микросхеме LM Наличие двух операционных усилителей в LM позволило собрать генератор синусоидальных колебаний сверхнизкой частоты и получить эффект плавного изменения свечения подключенных в управляемую нагрузку светодиодов. Частота дыхания может регулироваться в некотором диапазоне. Схема простая и без проблем собирается неподготовленным любителем. Также модуль прекрасно будет выполнять функции тестера по проверке микросхем LM Характеристики микросхемы принесли ей широкую популярность:.
 Также модуль прекрасно будет выполнять функции тестера по проверке микросхем LM Характеристики микросхемы принесли ей широкую популярность:.
Нужна элементарная схемка типа «мигалка»
Мигающие светодиоды применяются в различных сигнальных схемах, в рекламных щитах и вывесках, электронных игрушках. Сфера их применения достаточно широка. Простая мигалка на светодиоде может быть также использована для создания автосигнализации. Надо сказать, что моргать этот полупроводниковый прибор заставляет встроенная микросхема ЧИП. Основные достоинства готовых МСД: компактность и разнообразие расцветок, позволяющее красочно оформлять электронные устройства, например, рекламное табло с целью привлечения внимания покупателей. Но можно изготовить мигающий светодиод самостоятельно.
Здесь вы узнаете, как собрать мигалку на светодиодах из доступных радиодеталей. Много фоток и пояснений гарантируется:).
Простые схемы мигалок на основе мигающих светодиодов для сборки своими руками
Мигалка своими руками на 12 вольт
Мигающие светодиоды часто применяют в различных сигнальных цепях. В продаже довольно давно появились светодиоды LED различных цветов, которые при подключении к источнику питания периодически мигают. Для их мигания не нужны никакие дополнительные детали. Внутри такого светодиода смонтирована миниатюрная интегральная микросхема, управляющая его работой.
 В продаже довольно давно появились светодиоды LED различных цветов, которые при подключении к источнику питания периодически мигают. Для их мигания не нужны никакие дополнительные детали. Внутри такого светодиода смонтирована миниатюрная интегральная микросхема, управляющая его работой.
Делаем мигающий светодиод своими руками: простейшие и сложные схемы
ВИДЕО ПО ТЕМЕ: Что можно сделать из обычного реле ?
Новые книги Шпионские штучки: Новое и лучшее схем для радиолюбителей: Шпионские штучки и не только 2-е издание Arduino для изобретателей. Обучение электронике на 10 занимательных проектах Конструируем роботов. Руководство для начинающих Компьютер в лаборатории радиолюбителя Радиоконструктор 3 и 4 Шпионские штучки и защита от них. Сборник 19 книг Занимательная электроника и электротехника для начинающих и не только Arduino для начинающих: самый простой пошаговый самоучитель Радиоконструктор 1
Настя Спасибо за полезную и интересную статью!
Делаем своими руками | Красно-синяя полицейская мигалка
Село Кудиново, Ногинского района, Московской области. Войти E-Mail: Пароль Забыли? После регистрации на нашем сайте Вы можете обратиться к электрику или admin Администратору сайта с просьбой открытия доступа к закрытым разделам. Ссылка для связи!!!. В сообщении просьба указать номер участка фамилию и номер телефона.
 Войти E-Mail: Пароль Забыли? После регистрации на нашем сайте Вы можете обратиться к электрику или admin Администратору сайта с просьбой открытия доступа к закрытым разделам. Ссылка для связи!!!. В сообщении просьба указать номер участка фамилию и номер телефона.
Светодиодный стробоскоп своими руками
Введите электронную почту и получайте письма с новыми самоделками. Не более одного письма в день. Войти Чужой компьютер.
Светодиодная мигалка на транзисторе — Новости на сегодня
Полезные советы
На чтение 3 мин Опубликовано
 Одной из самых простых схем в любительской радиоэлектронике является светодиодная мигалка на одном транзисторе. Ее изготовление под силу любому новичку, у которого есть минимальный набор для пайки и полчаса времени.
 Ее изготовление под силу любому новичку, у которого есть минимальный набор для пайки и полчаса времени.
Рассматриваемая схема хоть и отличается простотой, однако, она позволяет наглядно увидеть лавинный пробой транзистора, а также работу электролитического конденсатора. В том числе, путем подбора емкости можно легко изменять частоту мигания светодиода. Экспериментировать также можно с входным напряжением (в небольших диапазонах), которое тоже влияет на работу изделия.
Содержание
- Устройство и принцип работы
- Необходимые материалы и радиодетали
- Последовательность сборки мигалки
Устройство и принцип работы
Мигалка состоит из следующих элементов:
- источник питания;
- сопротивление;
- конденсатор;
- транзистор;
- светодиод.
Работает схема по очень простому принципу. В первой фазе цикла транзистор «закрыт», то есть не пропускает ток из источника питания. Соответственно, светодиод не светится.
Конденсатор расположен в цепи до закрытого транзистора, потому накапливает электрическую энергию. Происходит это до тех пор, пока напряжение на его выводах не достигнет показателя, достаточного для обеспечения так называемого лавинного пробоя.
Во второй фазе цикла накопленная в конденсаторе энергия «пробивает» транзистор, и ток проходит через светодиод. Он вспыхивает на короткое время, а затем опять гаснет, так как транзистор опять закрывается.
Далее мигалка работает в циклическом режиме и все процессы повторяются.
Необходимые материалы и радиодетали
Чтобы собрать светодиодную мигалку своими руками, работающую от источника питания с напряжением 12 В, понадобится следующее:
- паяльник;
- канифоль;
- припой;
- резистор на 1 кОм;
- конденсатор емкостью 470-1000 мкФ на 16 В;
- транзистор КТ315 или его более современный аналог;
- классический светодиод;
- простой провод;
- источник питания на 12 В;
- спичечный коробок (необязательно). 
Последний компонент выступает в роли корпуса, хотя собрать схему можно и без него. В качестве альтернативы можно использовать монтажную плату. Навесной монтаж, описанный далее, рекомендуется для начинающих радиолюбителей. Такой способ сборки позволяет быстрее сориентироваться в схеме и сделать все правильно с первого раза.
Последовательность сборки мигалки
Изготовление светодиодной мигалки на 12 В осуществляется в следующей последовательности. Первым делом подготавливаются все вышеперечисленные компоненты, материалы и инструменты.
Для удобства светодиод и провода питания лучше сразу закрепить на корпусе. Далее к выводу «+» следует припаять резистор.
Свободная «ножка сопротивления соединяется с эмиттером транзистора. Если КТ315 расположить маркировкой вниз, то этот вывод будет у него крайним правым. Далее эмиттер транзистора соединяется с положительным выводом конденсатора. Определить его можно по маркировке на корпусе – «минус» обозначается светлой полосой. 
 
Следующим этапом идет соединение коллектора транзистора с положительным выводом светодиода. У КТ315 – это ножка посредине. «Плюс» светодиода можно определить визуально. Внутри элемента имеется два электрода, отличающихся размерами. Тот, который поменьше, и будет положительным.
Теперь осталось только припаять отрицательный вывод светодиода к соответствующему проводнику источника питания. К этой же линии подсоединяется «минус» конденсатора.
Светодиодная мигалка на одном транзисторе готова. Подав на нее питание, можно увидеть ее работу по вышеописанному принципу.
Если есть желание уменьшить или увеличить частоту мигания светодиода, то можно поэкспериментировать с конденсаторами, имеющими разную емкость. Принцип очень простой – чем больше емкость элемента, тем реже будет мигать светодиод.
Достаточно часто даже правильно собранная схема работает некорректно. Если светодиод просто горит (не мигает), или же гаснет не полностью, достаточно изменить входное напряжение. На регулируемом блоке питания это делается элементарно – поворотом ручки в нужную сторону. Если источник питания нерегулируемый, то в цепь можно подобрать соответствующее добавочное сопротивление.
 Если источник питания нерегулируемый, то в цепь можно подобрать соответствующее добавочное сопротивление.
Оцените автора
светодиодная мигалка
Фарва Навази
Введение Когда в электронике так много сложных схем, которые также сложно изготовить,… Читать далее
Фарва Навази
Введение Мы всегда пытаемся придумать разные схемы, иногда мы пытаемся построить сложные схемы, чтобы… Читать далее
by Farwah Nawazi
Введение Схема светодиодной мигалки представляет собой схему, которая мигает светодиодом и включает его… Читать далее
Фарва Навази
Введение Схема светодиодной мигалки с годовым сроком службы батареи очень увлекательна, так как она может мигать … Читать далее
Киран Салим
Светодиоды, вероятно, единственные компоненты, предлагающие широкий спектр применений. Его можно использовать либо … Читать далее
 Его можно использовать либо … Читать далее
Киран Салим
Светодиоды, вероятно, единственные компоненты, предлагающие широкий спектр применений. Его можно использовать либо … Читать далее
Киран Салим
В этом уроке мы собираемся сделать «схему светодиодной мигалки на культе сверчка». Инновация в крикете имеет … Читать далее
by Farwah Nawazi
Введение Когда в электронике так много сложных схем, которые также трудно изготовить, есть… Читать далее
Мунназа Малик
 Схема мигания светодиода Flip-Flop представляет собой базовую схему, которая создает непрерывный мигающий сигнал прямоугольной формы. Это … Читать далее
 Это … Читать далее
Мунназа Малик
Схемысветодиодных мигалок, пожалуй, самый простой способ для электроники сказать «HELLO WORLD». Это простой … Читать далее
by Shagufta Shahjahan
В этом DIY мы демонстрируем проект простого мигающего светодиода. Этот проект легко … Читать далее
by Shagufta Shahjahan
В этом проекте мы построим схему, идентичную полицейской машине, чтобы создать … Читать дальше
Фарва Навази
Введение Во многих странах вы, возможно, видели электронные светодиодные уличные фонари, которые автоматически включаются после… Читать далее
Киран Салим
 В этом уроке мы собираемся сделать «Мини-мигалку». Схема светодиодной мигалки представляет собой схему … Читать далее
 Схема светодиодной мигалки представляет собой схему … Читать далее
Фарва Навази
Введение В электронных устройствах светодиоды обычно используются для индикации. Тем не менее, есть и некоторые из … Читать далее
от Ayesha Khan
Введение: Светоизлучающие диоды — это особый вид диодов, которые при подаче питания излучают свет, когда ток … Читать далее
Комплект для самостоятельной сборки мигающих светодиодов
 Это отличный начальный набор, который позволит вам изучить схемы, электронику и пайку, выполняя забавный эксперимент, в результате которого появится небольшой мигающий светодиод, запрограммированный только что построенной схемой! Включает в себя полноцветные инструкции, медную печатную плату, разъем для батареи и все электронные компоненты, необходимые для начала работы, за исключением паяльника и 9батарея В. Создает веселый и яркий проект научной ярмарки для начинающих исследователей в области электроники или робототехники.
 Создает веселый и яркий проект научной ярмарки для начинающих исследователей в области электроники или робототехники.
Особенности:
- Соберите работающую электронную схему, используя навыки пайки и печатную плату!
- Завершенный проект дает схему мигающего светодиода .
- Включает в себя печатную плату, разъем для батареи и все необходимые электронные компоненты .
- Полноцветная, подробная инструкция
- Отличный проект схемотехники и электроники для научной выставки .
Технические характеристики:
- Цвет светодиода: синий
- Период: светодиоды мигают с интервалом примерно 0,4 секунды (2,5 Гц)
- Рабочий ток (при 9В): 14мА
- Размер печатной платы: 23 x 23 мм
ПРИМЕЧАНИЕ. Требуется паяльное оборудование и батарея 9 В (не входит в комплект).
  Возраст:  
 14 +
  Прибл. Размер корабля:  
 5,00 x 5,00 x 0,25 дюйма 
 12,70 см x 12,70 см x 0,64 см
  Вес:  
 0 фунтов 1 унция 
 0,01 кг
  Предупреждение:  
  ОПАСНОСТЬ УДУШЬЯ  
 Мелкие детали. Не для детей младше 3 лет.
 Не для детей младше 3 лет.
ПРЕДУПРЕЖДЕНИЕ: Этот продукт может подвергнуть вас воздействию химических веществ, которые, как известно в штате Калифорния, вызывают рак. Для получения дополнительной информации посетите веб-сайт www.P65Warnings.ca.gov.
Отзывы покупателей
     Комплект с чередующейся светодиодной вспышкой  
  Боб  
 Точно так же, как описано, и легко собирается. Обязательно куплю снова.
  Б.Д.  из Македонии, Огайо 
 Простой в сборке и удобный для просмотра.
     Схема мигающего светодиода своими руками  
  Джон Холмс  из США, Вашингтон, Ботелл 
 Я собрал комплект и использовал его в модели робота. Выглядит очень круто мигающий красный!
     Комплект цепи мигающего светодиода  
  RD  из Македонии, Огайо 
 Идеальный предмет для использования в качестве мигающего полицейского фонаря. Работает каждый раз.
 Работает каждый раз.
     Большой комплект  
  Аарон  из Калифорнии 
 Отличный набор для пайки. Это очень разумная цена и отличная практика. Я купил 2 из них и спаял один с выключателем, а другой с мгновенным выключателем.
     Комплект цепи мигающего светодиода  
  Роберт Доулс  от Summit Co., Огайо 
 Отличный размер для сборки полицейских машин. Идеально подходит для мигалки фар и мигалки задних фонарей. Простота сборки, компактный размер и идеальная цена. Очень доволен продуктом. При необходимости куплю еще.
     Комплект цепи мигающего светодиода  
  Джим  из Уоллингфорда, Коннектикут 
 Хороший комплект, все детали в наличии, простая сборка (при условии, что вы умеете паять), инструкции доступны для распечатки в Интернете, хорошо работает в собранном виде.
 Мой будет использоваться для имитации фонарей канавы на модели машиниста железной дороги.
     Большой комплект  
  Джим  из Лонг-Бич, Калифорния 
 Я купил их для личного проекта, но использовал их для демонстрации построения схем для моего младшего школьного класса онлайн.

 
 