Фильтр для сабвуфера своими руками
Психоакустика (наука, изучающая звук и его влияние на человека) установила, что человеческое ухо способно воспринимать звуковые колебания в диапазоне от 16 до 20000 Гц. При том, что диапазон 16-20 Гц (низкие частоты), воспринимается уже не самим ухом, а органами осязания.
Многие меломаны сталкиваются с тем, что большинство поставляемых акустических систем не удовлетворяет их потребности в полной мере. Всегда находятся мелкие недоработки, неприятные нюансы и т.п., которые побуждают собирать колонки с усилителями своими руками.


Еще одна категория людей, которые предпочитают делать звуковое оборудование самостоятельно – автовладельцы. Сборка и запуск мощной акустической системы в машине – непростое и весьма дорогостоящее мероприятие.
Возможны и другие причины сборки сабвуфера (профессиональный интерес, хобби и т.п).
Сабвуфер (от англ. «subwoofer») – низкочастотный динамик, который может воспроизводить звуковые колебания в диапазоне 5-200 Гц (в зависимости от типа конструкции и модели). Может быть пассивным (использует выходной сигнал с отдельного усилителя) или активным (оснащается встроенным усилителем сигнала).
Низкие частоты (басы) в свою очередь можно разделить на три основные подвида:
- Верхние (англ. UpperBass) – от 80 до 150-200 Гц.
- Средние (англ. MidBass / мидбасы) – от 40 до 80 Гц.
- Глубокие или подбасы (англ. SubBass) – все что ниже 40 Гц.
Функции и принцип работы фильтров для сабвуфера
Фильтры частот применяются как для работы активных сабвуферов, так и пассивных.


Преимущества активных низкочастотных динамиков заключается в следующем:
- Активный усилитель сабвуфера не нагружает дополнительно акустическую систему (так как питается отдельно).
- Входной сигнал может фильтроваться (исключаются посторонние шумы от воспроизведения высоких частот, работа устройства концентрируется только на том диапазоне, в котором динамик обеспечивает наилучшее качество передачи колебаний).
- Усилитель при правильном подходе к конструкции может гибко настраиваться.
- Исходный спектр частот можно разделить на несколько каналов, с которыми можно уже работать по-отдельности – низкие частоты (на сабвуфер), средние, высокие, а иногда и сверхвысокие частоты.
Виды фильтров для низких частот (НЧ)
По реализации
- Аналоговые схемы.
- Цифровые устройства.
- Программные фильтры.
По типу
- Активный фильтр для сабвуфера (так называемый кроссовер, обязательный атрибут любого активного фильтра – дополнительный источник питания)
- Пассивный фильтр (такой фильтр для пассивного сабвуфера лишь отсеивает необходимые низкие часты в заданном диапазоне, не усиливая сигнала).
По крутизне спада
- Первого порядка (6 дБ/октав.)
- Второго порядка (12 дБ/октав.)
- Третьего порядка (18 дБ/октав.)
- Четвертого порядка (24 дБ/октав.)
Основные характеристики фильтров:
- Полоса пропускания (диапазон пропускаемых частот).
- Полоса задерживания (диапазон существенного подавления сигнала).
- Частота среза (переход между полосами пропускания и задерживания происходит. нелинейно. Частота, на которой пропускаемый сигнал ослабляется на 3 дБ, называется частотой среза).
Дополнительные параметры оценки фильтров акустических сигналов:
- Крутизна спада АХЧ (Амплитудно-Частотная Характеристика сигнала).
- Неравномерность в полосе пропускания.
- Резонансная частота.
- Добротность.
Линейные фильтры электронных сигналов различаются между собой по типу кривых (зависимости показателей) АЧХ.
Разновидности таких фильтров чаще всего называются по фамилиям ученых, выявившим эти закономерности:
- Фильтр Баттерворта (гладкая АЧХ в полосе пропускания),
- Фильтр Бесселя (характерна гладкая групповая задержка),
- Фильтр Чебышёва (крутой спад АЧХ),
- Эллиптический фильтр (пульсации АЧХ в полосах пропускания и подавления),
И другие.
Простейший НЧ фильтр для сабвуфера второго порядка выглядит следующим образом: последовательно подключенная к динамику индуктивность (катушка) и параллельно – емкость (конденсатор). Это так называемый LC-фильтр (L — обозначение индуктивности на электрических схемах, а C – емкости).


Принцип работы заключается в следующем:
- Сопротивление индуктивности прямо пропорционально частоте и поэтому катушка пропускает низкие частоты и задерживает высокие (чем выше частота, тем выше сопротивление индуктивности).
- Сопротивление емкости обратно пропорционально частоте сигнала и поэтому высокочастотные колебания затухают на входе динамика.
Такой тип фильтров – пассивный. Более сложные в реализации – активные фильтры.
Как сделать простой фильтр для сабвуфера своими руками
Как и было сказано выше, самые простые в конструкции – пассивные фильтры. Они имеют в составе всего несколько элементов (количество зависит от требуемого порядка фильтра).
Собрать свой собственный фильтр НЧ можно по готовым схемам в сети или по индивидуальным параметрам после подробных расчетов требуемых характеристик (для удобства можно найти специальные калькуляторы для фильтров разных порядков, с помощью которых можно быстро рассчитать параметры составляющих элементов – катушек, емкостей и т.п.).
Для активных фильтров (кроссоверов) можно использовать специализированное программное обеспечение, например, такое как «Crossover Elements Calculator».
В некоторых случаях при проектировании схемы может понадобиться фильтр-сумматор.
Здесь оба канала звука (стерео), например, после выхода с усилителя и т.п., необходимо сначала отфильтровать (оставить только НЧ), а потом объединить в один с помощью сумматора (так как сабвуфер чаще устанавливается всего один). Или наоборот, сначала суммировать, а затем отфильтровать НЧ.
В качестве примера возьмем простейший пассивный НЧ фильтр второго порядка.
Если сопротивление динамика будет 4 Ом, предполагаемая частота среза – 150 Гц, то для типа фильтрации по Баттерворту нужны будут:
- L (индуктивность) = 6.003 mH
- С (емкость) = 187.5 µF


Если конденсатор можно подобрать под требуемый параметр из готовых или собрать блок из нескольких параллельно соединенных, то катушку лучше всего намотать своими руками. Для этого необходимо предварительно рассчитать параметры индукции с помощью тех же готовых калькуляторов.


Так, что получения катушки с индуктивностью 6 мГн, из обмоточного медного провода диаметром 1 мм, понадобится стержень диаметром 1 см и длиной 6 см. На выходе получится бобина из 1002 витков. Проволока длиной 84 метра будет уложена в 17 слоев. Итоговые габариты – диам. 44 мм, длина – 6 см.
Катушка и конденсатор подключаются к динамику по схеме, обозначенной выше, и мы получаем сабвуфер с пассивным НЧ фильтром.
НЧ ФИЛЬТР ДЛЯ САБВУФЕРА
Здравствуйте, уважаемые радиолюбители! Сегодня хочу вам предложить схему фильтра НЧ для любого самодельного сабвуфера. Мною было опробовано не мало схем фильтров, из этого количества некоторые либо не устраивали по звуку, либо запускались с танцами под бубен, либо запускались вообще броском об стену! И вот в один прекрасный день лазил по одному форуму, и наткнулся на пост со схемой. Как писали, схема была найдена на каком-то форуме в давно забытой теме и очень его порадовала своей повторяемостью и хорошим звучанием баса. Большое спасибо этому человеку! Решил и я повторить эту схемку, так как давно в поисках хорошего ФНЧ и нужная микросхема была в наличии.
Схема электрическая фильтра НЧ

Скопируйте для увеличения
Сердце схемы, хорошо себя зарекомендовавшая TL074 (084), один сдвоенный переменный резистор, в таком нестандартном для меня включении, и немного пассивных компонентов (резисторы и конденсаторы). Решил, что для питания откажусь от всяких лишних стабилизаторов (7815 и 7915) — потребления схемы небольшое, и поэтому решено запитать схему по простому — пара стабилитронов (применил 1N4712), пара ограничивающих резисторов (1.5 kom у меня), небольшие электролиты по питанию и шунтирующие конденсаторы по 0,1 мкф — все это к основному питанию УНЧ сабвуфера (+-35 вольт в моём случае).

Монтаж выполнен на печатной плате из текстолита — скачать файл. Печатку немного подкорректировал под себя и добавил стабилитроны. Все элементы подписаны, наводите курсор на элементы — показывается его номинал. Переменные резисторы, регулирующий частоту среза и регулировки громкости, в моём варианте выведены с платы на проводках.

Схема работает сразу, делал уже раз десять этот ФНЧ — естественно если не путать номиналы и не оставлять сопельки между дорожек. Также хочу сказать что чувствительности фильтра хватает, чтобы подключать портативные источники звука такие как: сотовый телефон, mp3 плеер и подобные устройства.
Приготовили плату? Тогда берём паяльник, и первым делом запаивайте стабилитроны с ограничивающими резисторами и конденсаторы, панельку для TL-ки. Подключите плату к источнику питания вашего УНЧ (у меня +-35 вольт) — удостоверьтесь что к 4 и 11 ножки микросхемы на панельки поступает +-12 вольт. Если всё правильно — паяем конденсаторы, резисторы.
Не забываем, что конденсаторы нужно ставить пленочные в такие схемы, не считая электролитов и шунтирующих по питанию.
Переменный резистор, на регулировку среза частоты — нужно подключать именно как нарисовано по схеме. Повторюсь, что схема не нуждается в настройках, правильный монтаж и чистка платки от флюса, если использовали упомянутый.

Теперь в своих конструкциях сабвуферов, всегда использую этот фильтр за его хорошее качество баса и простую схему. Также без лишних ненужных наворотов. Рекомендую, как говорится к повторению, с вами был Akplex.
Форум по ФНЧ
Обсудить статью НЧ ФИЛЬТР ДЛЯ САБВУФЕРА
Фильтр для сабвуфера своими руками. Фильтр низких частот для саба
Низкочастотная акустическая система предназначена для воспроизведения определённого участка звукового диапазона. Этот участок находится ближе к нижним границам зоны слышимости и составляет интервал от 20 до 100-200 Гц. Басовая колонка представляет собой прочный ящик, в котором установлены один или два мощных динамика. Благодаря особенностям воспроизведения низких частот диффузоры имеют большой диаметр, а подвес обеспечивает сильную амплитуду качания звуковой катушки и диффузора. Для того чтобы на катушку низкочастотного громкоговорителя не попадали лишние частоты, на входе системы ставится пассивный или активный фильтр-кроссовер. Фильтр для сабвуфера можно купить или сделать своими руками.
Фильтр низких частот для сабвуфера своими руками

Фильтр низких частот для сабвуфера представляет собой простую схему, которую можно сделать самостоятельно. Это устройство, в самом простом варианте, содержит катушку индуктивности и конденсатор, поэтому конструкция называется LC-фильтром. Индуктивности и ёмкостиявляются реактивными элементами, поэтому изменяют своё сопротивление в зависимости от частоты сигнала. Конденсатор меняет своё сопротивление обратно пропорционально частоте. При включении ёмкости параллельно нагрузке, высокочастотная составляющая сигнала, закорачивается на землю, а низкие частоты будут беспрепятственно проходить на динамик. Частота, на которой начинается подавление сигнала, называется частотой среза.
Идеальный низкочастотный фильтр для сабвуфера должен мгновенно «гасить» определённые частот. На снимке это показано жёлтой линией. Реальная схема фильтра для сабвуфера отличается тем, что спад происходит плавно. Простейшее устройство из двух элементов называется фильтр первого порядка. Он обеспечивает подавление частот выше порога среза в 6 dBна октаву. Схема второго порядка с дополнительными элементами увеличивает крутизну подавления до 12 dBна октаву, а каждое последующее звено добавляет по 6 dB. Чем больше звеньев, тем круче происходит подавление лишней полосы звукового диапазона.

Схема фильтра для сабвуфера сделанного своими руками, может включать в себя любое число звеньев. Устройство может быть пассивным или активным.
Пассивный фильтр НЧ для сабвуфера схема
Пассивный фильтр НЧ для сабвуфера своими руками можно сделать за короткое время. Схема не содержит дефицитных деталей и правильно собранная не требует настройки. Простой фильтр низких частот для сабвуфера состоит всего из двух деталей. Это катушка индуктивности и конденсатор. Для того чтобы определить электрические величины этих элементов лучше всего воспользоваться онлайн калькулятором. Для этого нужно набрать в строке поиска «Расчёт LC-фильтров. Онлайн калькулятор». Далее в окне нужно найти следующую таблицу.

Здесь достаточно указать нужную частоту среза, сопротивление нагрузки и нажать «Вычислить». Например, при сопротивлении динамика 4 Ома и частоте среза 220 Гц калькулятор выдаст ёмкость конденсатора в 255,7 микрофарад, а индуктивность 4,09 миллигенри. При сопротивлении головки 8 ом и подавлении «верхов» начиная с 250 Гц, данные будут 112,5 мкф и 7,2 мГн. Сделать фильтр низких частот для сабвуфера можно на простой печатной плате или использовать пластину из текстолита с контактными площадками.

В качестве конденсаторов используется ёмкость ближайшая по номиналу. В фильтре частот для сабвуфера можно использовать электролитические конденсаторы, но лучше поставить бумажные типа «МБГО», К73-16 или специально предназначенные для акустических систем полипропиленовые ёмкости К78-34. Для получения нужного номинала конденсаторы можно соединять параллельно. Катушки индуктивности можно купить готовые или намотать самостоятельно.
Активный фильтр для сабвуфера своими руками
По сравнению с пассивными конструкциями, активные схемы выравнивают амплитудно- частотную характеристику низкочастотного сигнала, корректируя пики и спады, негативно влияющие на прослушивание музыки. Простой фильтр для сабвуфера своими руками можно сделать на малошумящем операционном усилителе.

Схема фильтра НЧ для сабвуфера, сделанного своими руками, состоит из двух операционных усилителей и небольшого числа дискретных элементов. В качестве основного элемента используется интегральная микросхема LM324, которая содержит четыре операционных усилителя с однополярным питанием, что особенно удобно, если сабвуфер будет использоваться в автомобиле. Активное устройство обеспечивает подавление высокочастотной части звукового диапазона, начиная с 120 Гц. Существует много схем разного уровня сложности, которые сделаны на микросхемах или транзисторах. Интегральные схемы требуют меньшего количества деталей и не критичны к изменению напряжения питания.
Более качественную схему можно сделать на специализированной микросхеме РТ2351. Сигналы с выходов стереофонического усилителя поступают на входные каскады, микшируются и поступают на активный блок подавления низких частот. Точка начала подавления высокочастотной части спектра определяется величиной конденсаторов С3 и С7. Буферный каскад позволяет подключать устройство непосредственно к акустической системе.

Сигнал с двух каналов стереофонического усилителя через RCцепочки поступает на соответствующие входы интегральной микросхемы. Благодаря стабилизатору микросхему можно питать от любого однополярного источника постоянного тока напряжением до 20 вольт. Порог среза активного устройства составляет примерно 70 Гц. Для некоторых акустических систем эта величина подавления может быть слишком низкой. Для величины подавления 200 Гц номиналы конденсаторов должны быть следующими:
- С1 – 0,47 мкф
- С2 – 0,47 мкф
- С3 – 0,047 мкф
- С7 – 0, 068 мкф
Активный блок ограничения высокочастотной части звукового диапазонаможет использоваться как для домашнего звукового комплекса, так и в автомобиле. Недостатком данной схемы можно считать отсутствие плавной регулировки полосы пропускания, но для работы звукового комплекса это не так важно.
Фильтр сабвуфера | AUDIO-CXEM.RU
Фильтр для сабвуфера или как его еще называют- фильтр НЧ предназначен для подавления высоких частот, которые не должны поступать на вход усилителя звука и далее на низкочастотную головку (НЧ динамик, сабвуфер).
У фильтра для сабвуфера есть частота среза. Сигнал, поступающий на вход фильтра, с частотой большей частоты среза, будет затухать. На выходе фильтра сигнал практически будет отсутствовать.
Фильтр сабвуфера, речь о котором пойдет ниже имеет регулируемую частоту среза, что позволяет более точно настроить его.
Кроме того в схеме есть регулировка угла сдвига фаз. Сам по себе фильтр (как и другие фильтры НЧ) сдвигает сигнал на некоторый угол, поэтому если включить сабвуфер и дополнительную акустику (минуя фильтр), тогда сигналы на выходах будут различаться на некоторый угол. Все это можно определить и на слух, НЧ головка и другая акустическая система будут играть асинхронно. Для настройки этой синхронности и нужен регулятор угла сдвига фаз.
Основные технические характеристики фильтра НЧ
Напряжение питания…………………………..+9…15В
Потребление тока……………………………….<10мА
Частота среза…………………………………….50…200Гц
Затухание сигнала (при частоте 1кГц)…….. 40дБ
Схема активного фильтра сабвуфера
Элементы схемы
U1,U2 — TL072, TL082, NE5532
R1-R4 — 47…51 кОм
R5,R6,R9 — 270 кОм
R7,R8 — 220 Ом
R10,R12,R13 — 10 кОм
R11 — 12..13 кОм
RV1 — 30-50 кОм (6 ног)
RV2 — 10 кОм (3 ноги)
C1,C2,C6 — 0.047 мкФ (пленочный)
C3,C4 — 0.022 мкФ (пленочный)
C5,C7 — 0.01 мкФ (пленочный)
C8 — 0.001 мкФ (пленочный)
C9,C10 — 0.1 мкФ (керамический)
C11-C14 — 22 мкФ 16В.
Все резисторы мощностью 0.25Вт.
у всех конденсаторов, за исключением полярных расстояние между выводов 5мм.
Все электролитические конденсаторы напряжением не менее 16В.
Немного слов…
На элементах U1.1 и U1.2 выполнен сумматор, который оптимизирует работу фильтра НЧ при подаче на его вход стерео сигнала.
Регулировка угла сдвига фаз, фильтра сабвуфера, производится при включенной дополнительной акустической системе, на слух. Если в наличии есть двухканальный осциллограф и генератор, то более точную настройку можно произвести с их помощью.
При изготовлении печатной платы с помощью ЛУТ технологии, распечатывать шаблон как есть (не в зеркальном отражении).
Описанный в данной статье фильтр для сабвуфера, может применяться в связке с усилителем НЧ на микросхеме TDA7294 или TDA7293, который также с легкостью может быть повторен начинающими электронщиками.
Печатная плата СКАЧАТЬ
Похожие статьи
ФИЛЬТР ДЛЯ САБВУФЕРА
ФИЛЬТР ДЛЯ САБВУФЕРА
Каждый хочет иметь у себя дома свой личный очень хороший домашний кинотеатр, что при нынешних ценах на посещение общественного вполне оправдано, но не у каждого это получается. Кто-то довольствуется покупкой дешёвых китайских 2.1 колоночек, кто-то приспосабливает для басов советскую акустику. А самые продвинутые радиолюбители меломаны делают сабвуферный НЧ канал сами. Тем более, что процедура изготовления совсем не сложная. Стандартный сабвуфер — это активный фильтр НЧ, на который подаются сигналы правого и левого каналов линейного выхода, усилитель мощности на много-много ватт и большой деревянный ящик с низкочастотным динамиком. Расчёт и изготовление корпуса дело чисто столярное, об этом можно почитать и на других ресурсах, усилитель мощности так-же не проблема — при богатом ассортименте всевозможных STK-шек и LA-шек. А вот на входном фильтре НЧ для усилителя сабвуферного канала мы здесь остановимся подробно.
Как известно, сабвуфер воспроизводит частоты до 40 Гц, и используется совместно с небольшими сателлитными громкоговорителями. Сабвуферы бывают пассивные и активные. Пассивный сабвуфер — это помещенная в корпус НЧ-головока, которая подключаются к общему усилителю. При таком способе подключения широкополосный выходной сигнал УМЗЧ подается на вход сабвуфера, а его разделительный фильтр удаляет из сигнала НЧ и подаёт отфильтрованный сигнал на громкоговорители.

Гораздо более эффективный и распространённый способ подключения сабвуфера с помощью электронного разделительного фильтра и отдельного усилителя мощности, что позволяет отделять басы от сигнала, подаваемого на основные громкоговорители в том месте тракта, где фильтрация сигнала вносит гораздо меньше нелинейных искажений, чем фильтрация выходного сигнала усилителя мощности. Кроме того, добавление отдельного усилителя мощности для сабвуферного канала существенно увеличивает динамический диапазон и освобождает усилитель основных СЧ и ВЧ каналов от дополнительной нагрузки. Ниже предлагаю первый, простейший вариант фильтра НЧ для сабвуфера. Выполнен он как фильтр сумматор на одном транзисторе и на серьёзное качество звучания с ним рассчитывать не приходится. Оставим его сборку самым начинающим.

А вот эти три варианта с одинаковым успехом зарекомендовали себя в качестве отличных фильтров для сабвуфера и некоторые из них установлены в моих усилителях.



Эти фильтры устанавливаются между линейным выходом источника сигнала и входом усилителя мощности сабвуфера. Все они обладают малым уровнем шумов и энергопотреблением, широким диапазоном питающих напряжений. Микросхемы использовал любые сдвоенные ОУ, например TL062, TL072, TL082 или LM358. К пассивным элементам предьявляются обычные требования, как к деталям высококачественных аудиотрактов. На мой слух, звучание нижней схемы было особенно упругим и динаминым, сабвуфер с таким вариантом слушаешь даже не ушами, а животом 🙂
Технические характеристики фильтра для сабвуфера:
- напряжение питания, В 12…35В;
- ток потребления, мА 5;
- частота среза, Гц 100;
- усиление в полосе пропускания, дБ 6;
- затухание вне полосы пропускания, дБ/Окт 12.
Фотографии плат фильтров сабвуфера предоставленные товарищем Dimanslm:


Добавление активного сабвуфера существенно увеличивает динамический диапазон, понизижает нижнюю граничную частоту воспроизведения, улучшает чистоту звучания средних частот и обеспечивает высокий уровень громкости без искажений. Удаление низких частот из спектра основного сигнала, поступающего на сателлиты, позволяет им звучать громче и чище, так как конус НЧ-головки не колеблется с большой амплитудой внося серьёзные искажения, пытаясь воспроизвести басы.
Обсуждение схем на ФОРУМЕ
Схемы для начинающихФильтр НЧ для сабвуфера своими руками

Когда мы говорим «Фильтр для сабвуфера» — имеется в виду активный фильтр нижних частот. Он особенно полезен при расширении стереофонической звуковой системы на дополнительный динамик воспроизводящий только самые низкие частоты. Данный проект состоит из активного фильтра второго порядка с регулируемой граничной частотой 50 — 250 Гц, входного усилителя с регулировкой усиления (0.5 — 1.5) и выходных каскадов.
Конструкция обеспечивает прямое подключение к усилителю с мостовой схемой, так как сигналы сдвинуты относительно друг друга по фазе на 180 градусов. Благодаря встроенному источнику питания, стабилизатору на плате, можно обеспечить питание фильтра симметричным напряжением от усилители мощности — как правило это двухполярка 20 — 70 В. Фильтр НЧ идеально подходит для совместной работы с промышленными и самодельными усилителями и предусилителями.
Принципиальная схема ФНЧ
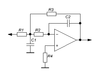
Схема фильтра для сабвуфера показана на рисунке. Работает он на основе двух операционных усилителей U1-U2 (NE5532). Первый из них отвечает за суммирование и фильтрацию сигнала, в то время как второй обеспечивает его кэширование.
Принципиальная схема ФНЧ к сабуСтереофонический входной сигнал подается на разъем GP1, а дальше через конденсаторы C1 (470nF) и C2 (470nF), резистора R3 (100k) и R4 (100k) попадает на инвертирующий вход усилителя U1A. На этом элементе реализован сумматор сигнала с регулируемым коэффициентом усиления, собранный по классической схеме. Резистор R6 (27k) вместе с P1 (50k) позволяют провести регулировку усиления в диапазоне от 0.5 до 1.5, что позволит подобрать усиления сабвуфера в целом.
Резистор R9 (100k) улучшает стабильность работы усилителя U1A и обеспечивает его хорошую поляризацию в случае отсутствия входного сигнала.
Сигнал с выхода усилителя попадает на активный фильтр нижних частот второго порядка, построенный U1B. Это типичная архитектура Sallen-Key, которая позволяет получить фильтры с разной крутизной и амплитудной. На форму этой характеристики напрямую влияют конденсаторы C8 (22nF), C9 (22nF) и резисторы R10 (22k), R13 (22k) и потенциометр P2 (100k). Логарифмическая шкала потенциометра позволяет добиться линейного изменения граничной частоты во время вращения ручки. Широкий диапазон частот (до 260 Гц) достигается при крайнем левом положении потенциометра P2, поворачивая вправо вызываем сужения полосы частот до 50 Гц. На рисунке далее показана измеренная амплитудная характеристика всей схемы для двух крайних и среднего положения потенциометра P2. В каждом из случаев потенциометр P1 был установлен в среднем положении, обеспечивающим усиление 1 (0 дб).

Сигнал с выхода фильтра обрабатывается с помощью усилителя U2. Элементы C16 (10pF) и R17 (56k) обеспечивают стабильную работу м/с U2A. Резисторы R15-R16 (56k) определяют усиление U2B, а C15 (10pF) повышает его стабильность. На обоих выходах схемы используются фильтры, состоящие из элементов R18-R19 (100 Ом), C17-C18 (10uF/50V) и R20-R21 (100k), через которые сигналы поступают на выходной разъем GP3. Благодаря такой конструкции, на выходе мы получаем два сигнала сдвинутых по фазе на 180 градусов, что позволяет осуществлять прямое подключение двух усилителей и усилителя с мостовой схемой.

В фильтре используется простой блок питания с двухполярным напряжением, основанный на стабилитронах D1 (BZX55-C16V), D2 (BZX55-C16V) и двух транзисторах T1 (BD140) и T2 (BD139). Резисторы R2 (4,7k) и R8 (4,7k) представляют собой ограничители тока стабилитронов, и были подобраны таким образом, чтобы при минимальном напряжении питания ток составлял около 1 мА, а при максимальном был безопасен для D1 и D2.

Элементы R5 (510 Ом), C4 (47uF/25V), R7 (510 Ом), C6 (47uF/25V) представляют собой простые фильтры сглаживания напряжения на базах T1 и T2. Резисторы R1 (10 Ом), R11 (10 Ом) и конденсаторы C3 (100uF/25V), C7 (100uF/25V) представляют собой также фильтр напряжения питания. Разъем питания — GP2.
Подключение сабвуферного фильтра

Стоит отметить, что модуль фильтра для сабвуфера должен быть присоединен к выходу предварительного усилителя после регулятора громкости, что позволит улучшить регулировку громкости всей системы. Потенциометром усиления можно отрегулировать соотношение громкости сабвуфера к громкости всего сигнального тракта. К выходу модуля необходимо подключить любой усилитель мощности, работающий в классической конфигурации, например такой. При необходимости используйте только один из выходных сигналов, сдвинутых по фазе на 180 градусов относительно друг друга. Оба выходные сигнала можно использовать, если нужно построить усилитель в мостовой конфигурации.
Обзор ФНЧ для сабвуфера
Сегодня сабвуфер — неотъемлемая часть любого домашнего кинотеатра. Впрочем, не только домашнего. В публичных кинотеатрах тоже стоят сабвуферы. Их задача с максимальной реалистичностью воспроизводить звуки выстрелов, взрывов, грохота проползающего по экрану танка или проплывающего в экранном холодном космическом пространстве межзвездного галактического имперского крейсера. Да, да, я знаю, что крейсеры в космическом пространстве проплывают бесшумно, но у Джорджа Лукаса, который снял потрясающую киноэпопею «Звездные войны» на этот счет совершенно другое мнение. И это правильное мнение, поскольку одно дело смотреть на безмолвный имперский крейсер, а другое — слышать и даже ощущать проход мощной машины. Да, про ощущать я не оговорился, ибо низкочастотные вибрации, создаваемые мощным сабвуфером ощущаются буквально всем телом.
Собственно, сам сабвуфер является мощным низкочаcтотным динамиком, подключенным к специальному сабвуферному каналу многоканальной системы усилителей. Сабвуферный канал при записи звуковой дорожки к фильму пишется отдельно, так что вся информация в нем содержащаяся — это исключительно о том, где и когда надо бахнуть и с какой силой. Но это в случае цифровой записи сигнала. При аналоговой записи-воспроизведении сигнал сабвуферного канала может выделяться из общего сигнала фонограммы при помощи специального Фильтра Низких Частот — ФНЧ.
В общем случае именно ФНЧ формирует сигнал сабвуферного канала и именно от его параметров зависит насколько мощно, сочно, четко будет бабахать сабвуфер. Разумеется, не только от ФНЧ, но и от акустического оформления самого сабвуфера зависит насколько высоко вы будете подпрыгивать в кресле от очередного киношного выстрела или взрыва, но сейчас мы рассмотрим именно ФНЧ.
Два самых главных параметра ФНЧ называются: частота среза и крутизна спада.
Начнем с первой.
Дело в том, что динамик сабвуфера большой, тяжелый, неповоротливый, чаще всего с огромным диффузором, который призван создавать большое звуковое давление, вдавливающее зрителя в кресло. Амплитуда колебаний этого диффузора должна быть достаточно велика, поэтому на сабвуфер подается очень приличная мощность от выходного усилителя. Если мы не отфильтруем ВЧ составляющие сигнала, подаваемого на динамик, то просто спалим его, ибо он физически не сможет так быстро двигаться, в результате чего катушка динамика перегреется и разрушится.
Таким образом, наш ФНЧ занимается тем, что просто отрезает от входного сигнала ненужные для сабвуфера куски частотного диапазона и на выходе оставляет только те, которые не угробят сабвуфер и будут эффективно им воспроизводиться.
Посмотрим на амплитудно-частотную характеристику ФНЧ (ура, первая картинка!):
Итак, частота среза, выражаясь человеческим языком — это та частота, за которой амплитуда выходного сигнала резко падает. Посмотрите на левую картинку — так должен выглядеть идеальный ФНЧ — до определенной частоты сигнал есть, после нее — сигнала нет. Но реальность, как обычно, несколько хуже. На правой картинке показана работа реального ФНЧ. Частота, на которой уровень выходного сигнала ослабляется на 3дБ называется частотой среза ФНЧ — Fср. на картинке. Как видно по правой картинке, реальный ФНЧ ослабляет сигнал за частотой среза не сразу, а постепенно и тут у нас есть возможность перейти ко второй основной характеристике ФНЧ — крутизне спада.
Общеизвестно, что погоня за идеальным — самая большая ошибка человечества. Тем не менее, человечество не перестает за ним гнаться, набивая по пути знатные шишки.
С ФНЧ такая же история. Как вы видите на картинке выше, у идеального ФНЧ АЧХ поворачивает на 90 градусов на частоте среза, то есть, ни одна капелька сигнала за частотой среза не появится на выходе ФНЧ. Это — идеальная крутизна спада ФНЧ.
У любого реального ФНЧ данная характеристика более пологая и никогда не станет идеальной, но может максимально к ней приблизиться.
Посмотрим на второй рисунок — на нем отображены крутизна спада ФНЧ в зависимости от так называемого порядка ФНЧ — числа звеньев, из которых состоит фильтр.
Чем больше звеньев в ФНЧ, чем ближе его АЧХ к идеальной. Но тут надо заметить, что увеличение числа звеньев фильтра приводит к его схемотехническому усложнению и как следствие, увеличению количества электронных компонентов, из которых сделан фильтр, а следом и цены этого устройства. Помимо этого, разумеется, растут шум, искажения, уменьшается амплитуда выходного сигнала.
Простейшее звено ФНЧ выглядит следующим образом:
Это пассивный ФНЧ первого порядка. Включая такие звенья последовательно можно добиться весьма существенной крутизны спада. Но при этом, как уже отмечалось выше, существенно растут шумы и искажения в звуковом тракте. Более того, для согласования входного и выходного сопротивления такого фильтра необходимо на входе и выходе ФНЧ устанавливать буферные усилители. В противном случае сопротивление источника сигнала и сопротивление нагрузки фильтра будет существенно влиять на частоту среза.
Поэтому, чаще всего для построения ФНЧ используют схемы активного фильтра на операционных усилителях.
Вот, например, активный ФНЧ второго порядка:
Не смотря на простоту самого фильтра необходимо помнить о буферных усилителях, которые нужны и для этого типа ФНЧ. Да и к тому же, 2 порядок — это как-то маловато, а значит, нужно последовательное включение двух таких фильтров.
В общем, схема разрастется прилично.
Более того. Если вы только начинаете заниматься сабвуферами и всем, что с ними связано, непременно начнете читать профильные сайты и форумы, где обсуждаются те или иные способы построения ФНЧ. И тут выяснится, что помимо всего прочего есть фильтр Чебышева, фильтр Баттерворта, эллиптический фильтр, фильтр Саллена-Ки. И у каждого схемного решения есть свои плюсы и минусы. Честно говоря, закопаться можно запросто.
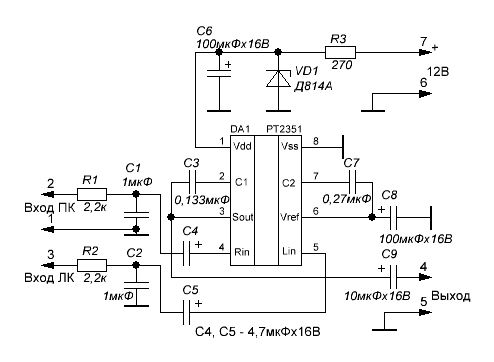
Видимо, поглядев на все это в древнерусской тоске, тайваньская компания PTC почесала в затылке и выпустила отличную микросхему — PT2351 – фильтр НЧ Саллена-Ки третьего порядка.
Микросхема в 8-выводном корпусе содержит в себе все элементы, необходимые для построения ФНЧ с очень приличными характеристиками.
Стерео сигнал от источника поступает на два буферных усилителя с высоким входным сопротивлениям. Сигнал смешивается и нормируется по уровню в смесителе, после чего поступает собственно на ФНЧ со встроенным выходным буферным каскадом (выходное сопротивление — всего 40 Ом), позволяющим подключать фильтр непосредственно к нагрузке без дополнительных плясок с буфером на ОУ.
Частота среза такого фильтра задается внешними конденсаторами.
На основе этой микросхемы был разработан набор для самостоятельной сборки NM0103 «ФНЧ для сабфувера».
Основные технические характеристики:
| Частота среза, Гц | 60(80) |
| Крутизна спада, дб/окт. | 18 |
| Коэффициент нелинейных искажений, % | 0,1 |
| Отношение сигнал/шум, дБ (невзвешенное | -82 |
| Коэффициент усиления, дБ | 10 |
| Максимальное выходное напряжение, В | 2,8 |
| Входное сопротивление, кОм | 100 |
| Напряжение питания, В | 12 |
| Потребляемый ток, мА | 10 |
Принципиальная схема:
Как видите, схема простейшая с очень небольшим количеством навесных компонентов.
Схема универсальная — благодаря встроенному стабилизатору напряжения VD1, R3, C6 этот ФНЧ может применяться как для построения автомобильного сабвуфера, так и для домашнего кинотеатра или музыкальных систем 2.1. Максимальное напряжение питания, которое можно подавать на фильтр — 20 Вольт. Впрочем, если увеличить резистор R3, то можно и больше.
Питание однополярное, что серьезно облегчает встраивание такого фильтра в уже имеющийся звуковой тракт.
Частота среза фильтра определяется емкостью конденсаторов C3, C7. В наборе есть два комплекта конденсаторов разной емкости для построение ФНЧ с частотой среза 60Гц или 80Гц.
АЧХ фильтра:
Ну, а если номиналы конденсаторов, входящих в набор вас по каким-то причинам не устроят, их можно выбрать из нижеследующей таблицы:
Часть номиналов конденсаторов получается нестандартной и составляется из двух конденсаторов стандартной емкости — номиналы указаны в скобках.
Из недостатков данной схемы по сравнению со схемами на ОУ можно отметить невозможность плавной регулировки частоты среза, а так же отсутствие регулировки фазы выходного сигнала. Но вот часто ли нужны такие регулировки?






